|
http://www.ozvalveamps.org/goldentonemodellist.html | Created: 20/04/07 | Last update:
15:48 12/11/09
<<< OzValveAmps |
by Contributing Editor Ken Palethorpe
February, 2007
Firstly some form of chronology, information and history of Goldentone amps. Hopefully this section and the serial number section answer some of the many questions asked of the site. “When was my amp made?” “What model is it?”, “How much did it cost?”, “What valves, speakers etc did it use?”
In order to provide SOME answers we have scoured over old supplier and wholesaler catalogues and pulled together as much information on models, dates, descriptions along with actual pages from the catalogues.
To all those people who generously provided that great source of material, many thanks.
The serial number tables on the site have provided a great source for dating amplifiers particularly choke dates. As the inserts grow we see some anomalies where dates and serials appear to be out of sync. More on this in a minute.
Goldentone model numbers as previously noted on the site, appeared to have gaps, why?
The catalogues answer some of those questions. The best we can understand today is that Goldentone used a model numbering system beginning at 1700. (Don't ask I haven't a clue).
The model numbers also included products other than amplifiers such as Goldentone Pick-ups for F-hole and flat-top guitars, 1702/03/04/06 etc.
Where catalogue information on those models is known they are included in this section to provide completeness, where we currently have no information the model number has a ? mark. Equally where we have a model name and description but no model number they are also included.
In a 1961 catalogue we see some model number ranges from 1702 to 1780 yet the famous 1755 combo wasn't available until 63. What does this mean? Again I haven't a clue. Maybe it was planned that way, maybe they gave themselves a model number range and back filled as required. Hopefully someone will write and tell us.
Out of sync. numbers
There is a classic story from the 60's from Burns of London. Burns used to put a serial number and patent information on the neck plates. Now when they ran low on neck plates they ordered some more. The new neck plates came in and were promptly dropped in the bin on top of the old ones.
Now they are fitting the highest serial number and working backwards, therefore trying to link dates and serial numbers was fraught with error.
Following the same practice Rola chokes had a rubber stamped date, in comes a new shipment and they are fitted first so the serial date chronology goes out the window. Remember this is the 1960's, no computer driven manufacturing here just a parts bin.
[this is also recorded in histories of Fender, with serial numbered necks being dumped in lot into a pickling bath from which they were taken by assemblers ad-lib -rr]
Note:
We also need to be careful as some model numbers are represented twice in separate years and can be new versions of an old model OR just to confuse us are not new versions of an old model but a new model.For example a 1757 Soloist from 1961 with reverb, becomes a 1757 Bassmaster in 1966. Confused? I am. We have included these as two concurrent entries.
Sometime around the end of 1966 to the beginning of 1967 Goldentone made two significant changes. The first was technical, with the introduction of some “All Transistor” amplifiers. The second was cosmetic, with new styled cases to house these new amps.
Both these changes would have been driven by demand and competitive pressure. I once read somewhere, (wish I could find it again) that in England in the 1958/9 year some 1,000 electric guitars were sold. By 1965 the demand had grown to 1,000 a week.
This same boom was reflected around the world and Australia was not immune. Guitar and amplifier production was at all time high levels. If you look at Matons two best selling solid body guitars of the 60's the Fyrbyrd and the Flamingo around 1,500 of each were made compared to the next best seller with around 250 - 300 made which was about average production for a model. (see maton history link)
If we read the “Vox Story” by Dick Denny you can understand that cabinet production was undertaken by specialist cabinet making firms and that production hand wiring of valve amps was time consuming delicate work. It is no wonder that printed circuit boards and silicon transistors were seen as a way to meet cost and volume demands.
Also toward the end of the sixties the competitive influence of imports from Japan began to bite. In the early sixties guitars and amps from Japan were for the most part beginners equipment but as we near the end of the decade they begin to appear more and more in the RM catalogues and they present serious competition. Also nearing the end of the sixties the demand was for more power not more tone. Want a tone, plug in one of the new “Pedals”.
Just as Silicon transistors began to replace valves, chipboard began to replace laminated ply wood. Some would argue that neither was entirely successful as far as amps were concerned.
Laminated amp cases were basically made by cabinet makers. They were strong, they were routed corner joined, glued and nailed, they had routed rounded edges and the Vynex (Tolex to you young folk) was hand fitted and shaped around compound corners.
Now if you want to cut costs you change to chipboard which is much cheaper that thick laminated ply. If you could then build a case that was cut to shape without corner routing was glued and nail gunned, one that had flat sides and no molded corners so the Vynex was basically glued flat, one were the sides were proud of the top, bottom, front and back. Slide some plastic trim on the raw edges to protect them and you saved a truck load in costs.
One can only surmise as to the driving reasons for change, image, costs and competition - or was it the positioning of Goldentone in the marketplace?
The new-look cabinets certainly following the trend for amps to have much more stage presence and to present a taller back line.
This also changed the speaker orientation from two speakers side by side to two speakers mounted vertically. This included the combo amps and introduced the “Slimline” series of Goldentone amps which continued through to the seventies.
In order to differentiate between the two main cabinet styles (pre 67 - post 67) used by Goldentone we use the term “Side Panel” cabinet to describe the look of these new cabinets that we see appearing in 1967. Some of these have new model numbers, however many old models continue with these new “Side Panel” cabinets.
For those of you who, like me, believe that Diason amps came out of the same factory, no greater piece of evidence can be presented than that Diasons use identical cabinet structures to the post 1966 Goldentones for their range.
It must have been a time for change, 1966 Australia changed to the decimal system of currency and measurement, hence we now see prices in dollars not pounds, shillings and pence, and weights and measurement in kg's and millimeter. In the Maton section of OzValveAmps we use this change to help date amps as either pre or post 66.
Around the same time we see the RM “Conductor” logo also become more stylised and the new logo beginning to appear on these new amps. [see above] Also at this time we see a change of name from name from Rose Morris to Rose Music.
So lots of changes all at once, why?
Well it became illegal to sell or distribute a manufactured item without metric standards being applied. Therefore it made an ideal, if not very expensive, time to update logo's, documentation, catalogues etc.
Rose Music originated in the UK, distributed Marshall amps before Marshall took back distribution rights. When Marshall returned to the fold RM bought VOX.
Allan Rose came to Australia and established the Down Under RM Version. Can anyone tell me when?
So what does all this mean? Well for a start if your Goldentone has a “Side Panel” style cabinet you can pretty safely say it was made in 1967 or later. Equally you will see a transition in the RM logo from Rose Morris to Rose Music.
Terminology used:
“Suitcase” is our phrase to describe the amp case which looks like half a small 60's pressed cardboard suitcase. They were tartan pattern in various colors.
“Side Panel” is our descriptor for the post 1966-67 Goldentone cabinets.
Reading the table below:
Model number
Is the number designated to the equipment in the catalogue. In the case of Goldentone it was sometimes ink-stamped on the rear of the chassis. The same number also can appear on two different amps in different years.Model Name
Name as given in the catalogue. Not the colloquial nameCatalogue year
The year of the catalogue in which the information on the equipment appeared. It is NOT the ONLY year it was made. We just happened to have a catalogue for that year. As given in the CatalogueWattage [nominal rated power output in watts “rms”, i.e continuous]
Description
Brief description for ID purposes, go to catalogue and Ozvalve links for details.Picture, circuit
[some guesswork here -rr]Link to AVA entry
Provides a link to the relevant page on this site where pictures of amps, articles, circuits etc., can be found.Note:
There is no information in this table that has NOT come directly from a catalogue. No speculation, no fill-ins because I think it should go there. This is as pure a source as we can find as of February 2007.Have fun and send me additional catalogue pages if you have them. Let me know of any typo errors please.
| Model number | Name | Cat year | Watts | Description | Thumb nail pic | Link to AVA |
|---|---|---|---|---|---|---|
| 7.40 | - | - | - | “Top Forty”? | pic | link |
| 1351 | - | - | - | See 1743 below | - | - |
| Model number | Name | Cat year | Watts | Description | Thumb nail pic | Link to AVA |
| ? | Top Forty | 1961-62 | (1x 40?) | A compact, but powerful amplifier, especially designed for home use. In lightweight fibre case. Full size 8 inch speaker, with separate tone and volume controls, two inputs. (Was this an early suitcase combo? See 1750 and 1754 in 1963, KP) | no pic | no link |
| 8/50 | 8/50 (eight valves, fifty watts) | 1961-62 | 1x 50 | This is in the catalogue alongside the 1780 30 watt tremolo with no picture. The description reads. Two channels with three inputs per channel with separate tone volume. Separate pre amp with three valves and main amp with five valves. Tremolo. Two heavy duty twin cone Rola 12 inch speakers. It reads very much like a 9/60 Acoustic curtain 1743-44 model. [2x KT88's -rr] | pic | link |
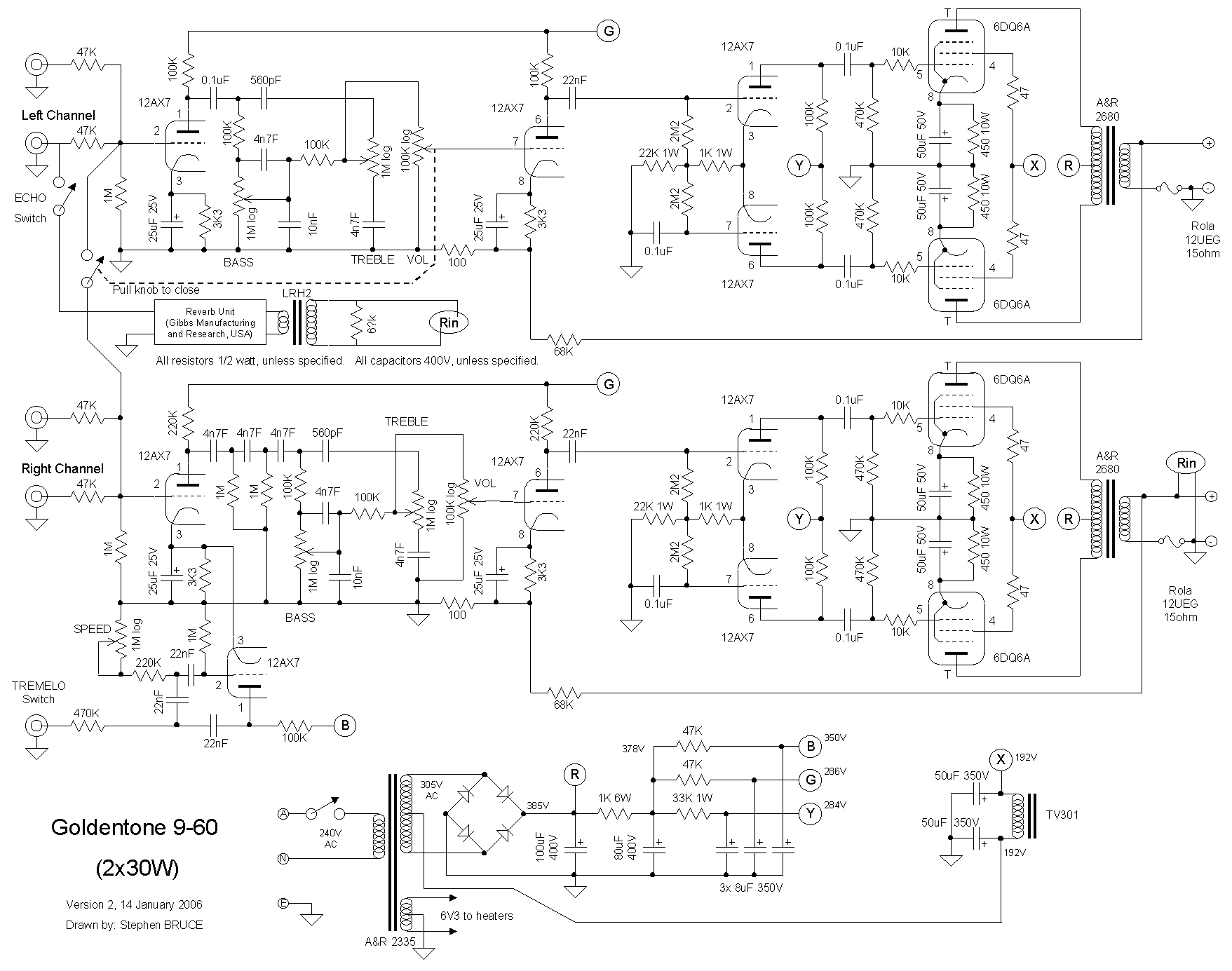
| 9/60 | 9/60 (nine valves, sixty watts) | 2x 30 | - | see 1743 | pic |
link |
| 1700 | ||||||
| 1701 | ||||||
| 1702 | Magnetic Pick up “F Hole” | 1961-62 | ||||
| 1703 | Magnetic Pick up “F Hole” | 1961-62 | ||||
| 1704 | Magnetic Pick up “F Hole” | 1961-62 | ||||
| 1705 | Magnetic Pick up “F Hole” | 1961-62 | ||||
| 1705 | Magnetic Pick up “F Hole” | 1961-62 | ||||
| 1705 | Magnetic Pick up “F Hole” | 1961-62 | ||||
| 1705 | Magnetic Pick up “F Hole” | 1961-62 | ||||
| 1706 | Magnetic Pick up “F Hole” | 1961-62 | ||||
| 1707 | Magnetic Pick up “F Hole” | 1961-62 | ||||
| 1708 | Magnetic Pick up “F Hole” | 1961-62 | ||||
| 1709 | ? | |||||
| 1710 | Crystal Model Pick ups | 1961-62 | ||||
| 1711 | ? | |||||
| 1712 | Crystal Model Pick ups | 1961-62 | ||||
| 1713 | ? | |||||
| 1714 | Crystal Model Pick ups | 1961-62 | ||||
| 1715 | ? | No current information on model numbers from 1714 to 1742 | ||||
| Model number | Name | Cat year | Watts | Description | Thumb nail pic | Link to AVA |
| 1742 | “Reverbmaster” series | 1968 | See 1745. In the 68 catalogue the 1745 is described as the same as the “Piggy Back” 1742. The 1742 was a piggy back with two 12 inch M.S.P. speakers, tremolo, reverb | no pic | no link | |
| 1743 | Acoustic Curtain | 1963 | 60 watt Two separate 30 watt amps | Colloquially called the 9/60. It has 9.60 logo on the control panel. 9 = 9 valves, 60 = 60 watt. The “Acoustic curtain” was created in the cabinet with two panels behind the speaker covering around 90% of the baffle area. One from the top down closer to the speaker and one from the bottom up closer to the rear. This was an enclosed cabinet. The 1753 had no “Hammond” reverb. These cabinets had “Speaker Fuses” [aka 1351] |
|
link |
| 1744 | Acoustic Curtain | 1963 | 60 watt Two separate 30 watt amps | Same as 1743 but this time with “Hammond” reverb. These cabinets had “Speaker Fuses” This model number became part of the “Reverbmaster” Series. | no pic | no link |
| 1744 | “Reverbmaster” series | 1968 | 60 | Combo, “Side Panel” cabinet, imported Phillips speakers. | no link | |
| 1745 | “Reverbmaster” series | 1968 | 40 | Combo, “Side Panel” cabinet, One 12 inch M.S.P speaker and two 8 inch twin cone M.S.P speakers. Identical to the 1742 piggy back. | no pic | no link |
| 1746 | Acoustic Curtain (Bass amp) | 1963 | 40 | Same cabinet style as the 1743 and 1744 with two 12 inch “Special Rola speakers and the acoustic curtain baffles. | no link | |
| 1746 | “Bassmaster” series | 1968 | 40 | Piggy back, “Side Panel” cabinet two 12 inch M.S.P Deluxe Bass speakers. Push Pull controls. | no pic | no link |
| 1747 | “Acoustic curtain” series | 1963 | 40 | This is an option (Bass amp) in the acoustic curtain range. Same cabinet style as the 1746. No acoustic curtain and a single 15 inch Wharfedale speaker. | no pic | no link |
| 1747 | “Bassmaster” series | 1968 | 20 | Combo, “Side Panel” cabinet one 12 inch M.S.P Deluxe Bass speakers | no pic | no link |
| 1748 | ? | |||||
| 1749 | “Bassmaster” series | 1968 | 60 | Piggy back, “Side Panel” cabinet two 12 inch M.S.P Deluxe Bass speakers. Push Pull controls | no pic | no link |
| Model number | Name | Cat year | Watts | Description | Thumb nail pic | Link to AVA |
| 1750 | Broadway | 1963 | 5 | “Suitcase” combo. No control panel. Two input, volume and tone. ( 9 x 6 inch oval speaker). Two valves | ![]() |
link |
| 1750 | Soundmaster | 1968 | 4 1/2 | “Side Panel” cabinet. Two inputs, 8 inch M.S.P speaker Also noted in the 68-69 catalogue | ![]() |
link |
| 1751 | Little Giant? | 1965 | 6 | “Suitcase” combo, with control panel, two inputs, volume and tone. 1 round speaker | ![]() |
link |
| 1752 | “Soundmaster” series | 1968-69 | 7 | Tremolo, 8 inch Rola speaker | ![]() |
link |
| 1753 | Little Giant? | 1965 | 6 | “Suitcase” combo, with control panel, two inputs, tremolo, volume and tone. 1 speaker |
|
link |
| 1754 | 1962-63 | 10 | “Suitcase” combo, with control panel, two inputs, tremolo, volume and tone. 1 speaker | no pic | link | |
| 1754 | ? | 1965 | 10 | This is an up date of the original 1754 like a “Mini Me” of the 1755. Two inputs, volume, tone and tremolo and Laminated wooden cabinet as distinct from the original 1754 which was a “Suitcase” combo. | no pic | no link |
| 1755 | ? | 1965 | 40 | “The” classic Goldentone 40 watt combo. Four inputs, echo, tremolo, two channels. |
|
link |
| 1756 | “Soloist” series | 1962 - 63 | 15 | Three inputs, Two 8 inch speakers, tremolo only | ![]() |
link |
| 1756 | “Bassmaster” series | 1966 | 40 | Piggy Back, TV legs, Floor loaded, vented cabinet, two 12 inch bass speakers. This was replaced by the 1782 which was Solid State. |
|
link |
| 1757 | “Soloist” series | 1962 - 63 | 15 | Three inputs, Two 8 inch speakers, tremolo and reverb. A 1756 with reverb | no pic | no link |
| 1757 | “Bassmaster” series | 1966 | 20 | Combo unit. TV legs, two inputs for bass and rhythm guitars | no link | |
| 1758 | “Reverbmaster” series | 1968 | 12 | Combo, “Side Panel” cabinet, One 12 inch M.S.P speaker. 4 dual purpose valves. Two inputs, reverb, tremolo and normal. Anodised control panel | ![]() |
link |
| 1758 | “Sound Master” series | 1968-69 | Same as Reverbmaster 1758 without reverb | no pic | no link | |
| 1759 | ? | 1965 | 60 | Piggy back. Four input, two echo tremolo, two normal. Four Rola Hi-Fi 12 inch speakers. “Oriented Grain” power and output transformers. |
|
link |
| Model number | Name | Cat year | Watts | Description | Thumb nail pic | Link to AVA |
| 1760 | “Bassmaster” series | 1966 | 60 | Piggy Back, TV legs, Floor loaded, vented cabinet, two 12 inch bass speakers. Like the 1756 only 60 watts. This was replaced by the 1781 which was Solid State. | ![]() |
link |
| 1760 | “Soloist” series | 1962 - 63 | 30 watt | “Stereo” amplifier. Two 15 watt amplifiers with 6 x 6 inch speakers same as the 1761 but without reverb. | no pic | no link |
| 1761 | “Soloist” series | 1962 - 63 | 30 watt | “Stereo” amplifier. Two 15 watt amplifiers with 6 x 6 inch speakers Tremolo and reverb | no pic | no link |
| 1762 | “Reverbmaster” series | 1966 | 40 | Two Channels one reverb/tremolo, one normal. Four inputs, tuned floor loaded vent on short TV legs. |
|
link |
| 1763 | “Reverbmaster” series | 1966 | 60 | “Twin” column speakers. Piggy back head on absurdly long TV legs. Four inputs, two channels, tremolo and reverb. Each column has 3 x 12 inch Rola speakers. | ![]() |
link |
| 1764 | “Reverbmaster” series | 1966 | 60 | Two Channels one reverb/tremolo, one normal. Four inputs, tuned floor loaded vent on short TV legs. |
|
link |
| 1765 | “Reverbmaster” series | 1966 | 40 | Combo version of the 1762. Identical specifications |
|
link |
| 1766 | “Reverbmaster” series | 1968 - 69 | 12 | “Side Panel” Combo 5 dual purpose valves, 12 inch Rola heavy duty 20 watt speaker. Reverb, tremolo and normal. | ![]() |
link |
| 1767 | “Reverbmaster” series | 1966 | 60 | Combo version of the 1764. Identical specifications |
|
link |
| Model number | Name | Cat year | Watts | Description | Thumb nail pic | Link to AVA |
| 1768 | ? | 1961 - 62 | 5 | Combo 8” Rola Triode 1x 12AX7 Pentode 1 x 6BQ5 Rectifier 1 x 6X4 | no pic | no link |
| 1770 | ? | 1961 - 62 | 5 | Combo 8” Rola Triode 1x 12AX7 Pentode 1 x 6BQ5 Rectifier 1 x 6X4 | no pic | no link |
| 1771 | ? | ? | ? | ? | no pic | no link |
| 1772 | ? | 1961 - 62 | 5 | Same as 1770 but with 8” “Twin Cone” speaker and heavy duty output transformer | no pic | no link |
| 1773 | ? | ? | ? | ? | no pic | no link |
| 1774 | ? | 1961 - 62 | 10 | Combo Ten watt 12” Rola 1 x 12AX7 Twin Triode 1 x EL34 Pentode 2 x silicone diode rectifiers OA210 | no pic | no link |
| 1774 | ? | 1962 - 62 | ? | ? | no pic | no link |
| 1775 | ? | ? | ? | ? | no pic | no link |
| 1776 | ? | 1961 - 62 | 10 | Same as 1774 with additional tremolo. Ten watt 12” Rola 1 x 12AX7 Twin Triode 1 x EL34 Pentode 2 x silicone diode rectifiers OA210 1 x 6AU6 (6AV6?) vibrato | no pic | no link |
| 1777 | ? | ? | ? | ? | no pic | no link |
| 1778 | ? | 1961 - 62 | 17 | Combo Seventeen watt Tremolo 4 inputs twin cone Rola 12PX, pre amp EF86 2 x 12AX7 triodes, 2 x 6BQ5 1 vibrato 6CG7 2 x silicone diode rectifiers OA210 | ![]() |
link |
| 1779 | ? | ? | ? | ? | no pic | no link |
| 1780 | ? | 1961 -62 | 30 | Combo, Upright speakers mounted vertically with side handle offset to balance the amp for carrying. Thirty watt tremolo. Two twin cone Rola 12PX. Pre amp EF 86, 3 x 12AX7 Twin Triode, one for vibrato, 2x EL34 output, 2 x 2 x silicone diode rectifiers 1N1764 | no pic | no link |
| Model number | Name | Cat year | Watts | Description | Thumb nail pic | Link to AVA |
| 37007 | Goldentone 60 watt Bass | 1971 | 60 | Piggy back “Side Panel”. Four inputs, two bass and two rhythm. Four 12 inch M.S.P speakers | no pic | no link |
| 37020 | “Slimline” series | 1970 or 71 | 50 | Combo “Side Panel”. Two x 12 inch speakers. Three inputs, lead, bass and rhythm | no pic | no link |
| 37023 | Goldentone “All Purpose” amplifiers. 40 watt “Slimline” | 1971 | 40 | Slimline Combo, “SidePanel”. Two 12 inch M.S.P speakers. Three inputs, lead, bass and rhythm. Plastic suitcase handle | no pic | no link |
| 37024 | Goldentone “Junior” | 1971 | 20 | Slimline Combo, “SidePanel”. One 12 inch M.S.P speaker. Three inputs, lead, bass and rhythm. Plastic suitcase handle | no pic | no link |
| 37030 | Goldentone “Junior” | 1971 | 20 | Slimline Combo, “SidePanel”. One 12 inch speaker. Three inputs, lead, bass and rhythm | no pic | no link |
| 37061 | 40 watt Lead | 1971 | 40 | Same as 37067 only with two 12 inch speakers and slightly smaller speaker cabinet. | no pic | no link |
| 37066 | 40 watt Bass | 1971 | 40 | Same as 37007 only with two 12 inch speakers and slightly smaller speaker cabinet | no pic | no link |
| 37067 | 60 Watt Lead | 1971 | 60 | Piggy back “Side Panel”. Four inputs, two with tremolo and reverb, two normal. Four 12 inch M.S.P speakers | no pic | no link |
| 37080 | Goldentone “Trendsetter” series | 1971 | 20 | Combo “Slimline” NOT side panel. Two inputs, volume, bass, treble, tremolo depth and speed. Side handle. | no pic | no link |
| 37090 | Goldentone “Trendsetter” series | 1971 | 4 1/2 | Combo, “SidePanel”. One 8 inch speaker. Two inputs. Plastic suitcase handle | no pic | no link |
| 37200 | 1971 | 60 | no pic | no link | ||
| Model number | Name | Cat year | Watts | Description | Thumb nail pic | Link to AVA |
| ? | Hybrid 100 | ? | 50+50 | Valve preamps, two 50 watt s.s. output stages, 2x 2N3055's -rr | ![]() |
link |
|
|