http://www.ozvalveamps.org/goldentone1.html | Last update: 01:31 08/11/09
<<<OzValveAmps
<< Goldentone index Next page >>

Goldentone 1


7/40

Source: Grouse Guitars


8/50 Head

New: 7/11/09

A superb restoration of an 8/50 by Andrew Neale.

Before





After




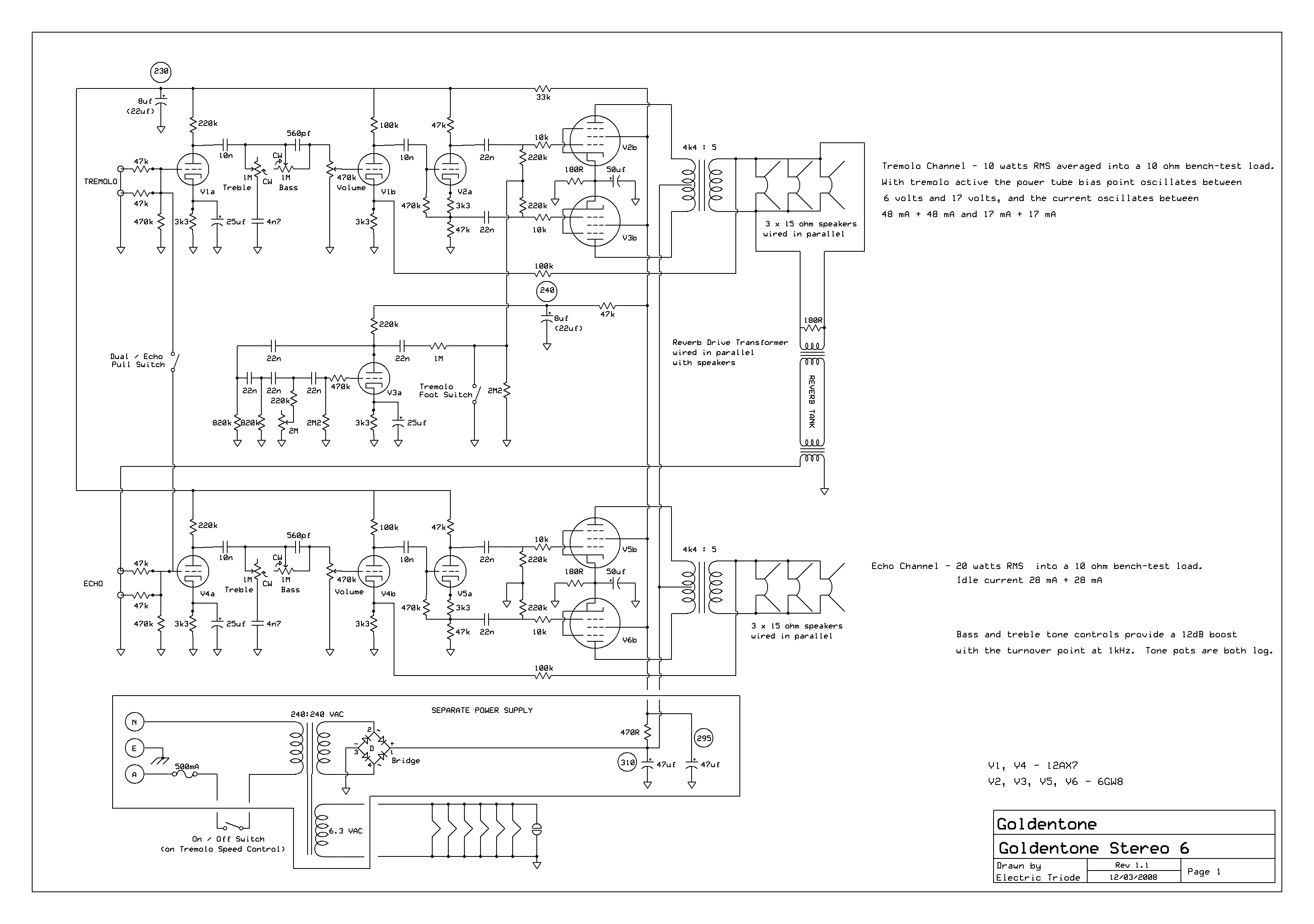
Super 6

Andrew has also provided the circuit of a Super 6 which was also “stereo” or dual power channels, including reverb, using two pairs of 6GW8's.

Source: Andrew Neale


1351 Dual Combo “9.60”

Power Transformer: A&R 2335
Output valves: 2 x 2 x 6CM5

This is the oddest Goldentone I have ever seen.

It has two complete amplifiers each using a pair of 6CM5's rather than the normal 6DQ6's. These are arranged with a reverb tank to provide so-called foldback reverb where the second channel is used to amplify the reverb output.

  

The volume control for the left-hand “Echo Channel 1” is also a pull-switch marked “Up - Dual, Down - Echo”.


Click on images for full size 25-70kb jpg

Source: Ian Rumbold
Note the three exposed fuseholders on the rear.

Just looking at this amp it seems to be a well looked after gigging amp. It is solid and tight, the speaker cab in particular. My guess is that this has been improved over the years, perhaps converted to 6CM5's when 6DQ6's became hard to get, and the enclosure seems to have been strengthened internally, the ports, and the business-like castors.

Thanks to Stephen Bruce for a very neat draft of the circuit for the 9-60. (53kb Gif)

Stephen adds:

I have a Goldentone 9-60, which is a little different from the one you have pictured. It does not have ports on the back of the cabinet nor the extras left hand switch. Other- wise it looks the same.

Note on the circuit that the reverb is driven by the output of one channel and recovered using the second channel.

This idea of getting higher output using two power amplifiers rather than adding output valves in push-pull parallel to a single stage results in a more flexable and reliable arrangement.

Flexable in that sometimes it's really handy to have a spare amp when someones' blows up or for a guest performer. At other times it can be used as-is with main and reverb channels, or in parallel for a plain 100 or so watts when needed. Equally, on the odds a failure on one channel will leave the other operating, while that is a bit less likely with a quad; the idea being a soft, progressive failure.

In the day 60 watt trannies were a production item but above that were generally made to order as fairly expensive “specials”. These are A&R OT2680 driven by 6DQ6B's, Goldentone's standard output bottle, and my personal favorite for reliability and soft-failure. Notice that the amp pictured above is actually fitted with 6CM5's.

Also, visit Stephen's 9-60 Gallery.


Reverbmaster Series

“1958”

New: 7/11/09

I'm a bit confused where this one fits in, but the “radar” knobs say it's early. A pair of 6GW8's.

goldentone%201958%20reverbmaster-dl-qrp.jpg goldentone%201958%20reverbmaster%20(3)backinside-dl-qr.jpg goldentone%201958%20reverbmaster%20(14)tank-dl-qp.jpg goldentone%201958%20reverbmaster%20(1)-dl-qrp.jpg

Underchassis detail, left, middle, right.

Source: Derek Lark

1762, 1764

1762, 40W, $370
1764 60W $450
2 ch, 4 input, tremolo, reverb, legs, black 'vynex' covering, 2x Rola 12 inch, flip-top head.


Source: Rose Music catalogue, Peter Hutchinson

Goldentone head with 4 x 12-inch box
Click for full size 27kb jpg.
Source: Tony Ross

Click for full size 270kb jpg.
Source: Neil Rote, Grouse Guitars

Controls:
Echo/Reverb Echo/Reverb Volume Bass Treble Tremolo Speed Normal Volume Bass Treble Power

Slightly unusual control layout. First the reverb level, then the effected inputs. The reverb control may also double as a pull switch. Plastic dress plate. The Power indicator is a pilot lamp behind the green RM logo, standing for Rose Music.

Shaun's Rosie

From: Shaun Helps Mon, 21 Mar 2005

Actually my amp does not have 'Reverbmaster' written on it anywhere but it's obviously the same amp design that is on your site.

I recently decided that it is time to give the old girl a going over, the 40 year old filter caps were a concern and there were a few mustard coupling caps with obvious cracks in their bodies and there were a few sound issues. Anyway, I replaced all the electro's, all the bypass and coupling caps and a hand full of resistors.

With some new grill cloth and knobs, new valves and a bit of re-gluing here and there 'ol Rosie is looking quite nicely tarted up.

Shaun's Rosie
Click for full size 56kb jpg.

The pic doesn't really show the grill cloth as it appears in real life, you can't actually see the speakers that well.

The choke has 'MARCH 1965' stamped on it so that makes her nearly 40 years young! The ribbed speakers at the top are two original Rola 12P's. The other two are a couple of 75W Celestions that I had spare, much better than the two Marantz ones that were in there. They had a very 'covered' sound with little presence. The cab is not fully sealed, there is a rounded, rectangle shaped vent in the back.

The vinyl covering is all original. It's in great nick considering it appears to have spent much time in a shed, gathering spiders and bugs. I just wiped it down with a damp rag and vacuumed out the bug bits.

Probably the most damage suffered by her over the years appears to be the over zealous spraying of lubricant in the pots. This has soaked into the inside of the chassis for a couple of inches and had coated some components. Whatever it was (WD40?) was strong enough to make the colour bands run on some resistors and cause insulation to go brittle and dissolve on wires. Of course it also allowed dust to stick and stain the chassis.

[Take note of what happens downstream if you are tempted to reach for a can of Instant Technician -rr]

I changed the plate resistors as a matter of course. This proved to be a good move since I found one that simply fell apart. One leg came away still connected to the cap that fits over the carbon resistor element.

This amp has long ago had the output section changed to EL34's. The screen supply is now tied to the OT center tap with 470R screen resistors.

There are a couple of minor differences in my amp compared to the schematic that you have. (below)

On my amp the reverb recovery is isolated from the reverb/trem channels second stage. i.e. the 6GW8 does not share the 220k plate res with the 12AX7 (2a). The plate of the 6GW8's triode is supplied from HT 'C' via it's own 220k res. There is a separate .01uF coupling cap, then a 220k series res and straight on to the phase splitter. So there are three separate feeds to the phase splitter, one for each channel and one from the reverb recovery.

Also HT 'C' as marked on your drawing does not feed the reverb/trem channels 12AX7. Only the normal channel, the trem circuit and the recovery stage of the reverb. The reverb/trem channels 12AX7 is supplied from a node taken from HT 'E'. This node has a 47K decoupling resistor and another 8uF cap.

[Note these corrections carefully if you are building or instability may result. Shaun's mapping is more reliable than my cct. -rr]

Otherwise everything seems as per your drawing. I guess that this was a later factory modification. The reverb tranny is marked 1965 as are the two original speakers so I assume this is around about the build date.

The comment about the apparent changes indicated on your drawings being to possibly brighten up the amp ring true. My amp is very bassy, infact I tried a 5 string bass through it and the amp handled the lower notes (low B) quite well.

My Strat sounds quite dull though, even with the treble up full. So after trying a few things that have helped a little, I was about to start looking at some bypass cap values.

Then I put the Goldentone's tone stack values into Duncan's tone stack calculator http://www.duncanamps.com/tsc(*) and saw that there is quite a hump in the bass region that I've found can't really be dialed out without losing definition.

This leads me to suspect that maybe some tone stack values could be revised to bring out some trebly chime.

Rosie sounds good now but I still have issues with noisy reverb and I want to tweak the tone stack some more.

Shaun.

Looks like new in the shop Shaun, and now just as good inside as well. What a difference new grille fabric makes.

The combination of a tonestack bass hump and a closed-back cab will tend to produce a bass-heavy sound. Claybridge and others were similar in lacking brights. Internal padding also seem to make cabs run dead for guitar.

We can dream about re-speakering with twin-cone Rola 12CMX's, but a “top-box” the same size as the head to carry a horn tweeter, stacking between the box and head, might be worth a try. But choose a tweeter with low reach.

(*) I've made three very different attempts to download and install this Tone Stack Calculator but it has refused to run reporting a missing file. (24/3/05)


Reverbmaster and 18-inch speaker

18-inch, front   Head rear

Top chassis   Under chassis
Note the 6CM5 substitution for 6DQ6's.

Neil Rote:

This head and box combination is truly awesome. The speaker grille cloth has long vanished from the front of the cab, but the remainder of it can still be seen inside the front baffle - definitely genuine Goldentone.

The speaker is a massive Celestion 18” (yes, EIGHTEEN INCH!) unit, and it sounds great either when playing bass through the dry channel or guitar or even organ through the 'wet' channel (with foot-switchable spring reverb and tremolo).

As was standard practice with Goldentones at the time, the reverb tank is in the speaker box, and a multi-pin connector is used between the head and box.

All in flawless working condition. Tone and power to burn. The unit was fully serviced and the speaker reconed back in '92, before the previous owner (who owned this unit for 25 years) simply stored it.

$1195AUD plus shipping costs.

Source: Neil Rote, Grouse Guitars

<< Goldentone index Next page >>
Valid HTML 4.01 Transitional <<<OzValveAmps