http://www.ozvalveamps.org/vase.html | Last update: 21:02 20/12/10
<<<OzValveAmps

V.A.S.E.

Victory Audiophonic Sound Equipment

Established by Tony Troughton in Brisbane in the 1960's.

It is ironic that after years of messing with high voltage Tony would die shortly after he sold the company as the result of a reaction to a jellyfish sting.

[5/3/07] More detail on Tony, and the Brisbane music scene generally, is contained in a thesis at QUT - Caution! dreaded PDF.

Current V.A.S.E. name holder;
Graeme Whitehouse
8 - 10 Staple St, 17 Mile Rocks QLD
0408 869216

Contains:
Trendsetter 40, Trendsetter 50 Deluxe, Trendsetter 60, Trendsetter 80, History, Split/Sound, Bassman (blond), Bassman 80, Bassman 150 Deluxe Head, Bassman 120, Bassman 100, Trendsetter Deluxe 120, Dynabass, Trendsetter 60 Delux, PA200, PA100, PA60, Hybrid 100

Tim Robbins highly detailed report on the PA100 (PDF).


Trendsetter 40

New: 24/8/09


Note what appear to be two sockets on the cab (?)
Source: e-Bay spotter PaulC

Trendsetter 50 Deluxe

New: 5/3/07

Douglas Lynch wriites;

Some more info on my VASE. It is called a Trendsetter 50 Deluxe, has a bright channel and a normal channel equipped with vibrato...

Its valve compliment is 3 x 12AX7 a 6CG7 which is obviously the phase splitter that drives the output stage of 4 x 6550.

Yes 4 x 6550, yes a bit of serious artillery !!!

It does not have a serial number anywhere that I can see on the chassis but on the back of the chassis near the output tubes it has 300/150 stamped in about 12pt size.

Across the front controls are;

Bright channel with 2 input sockets Volume treble (with pull for bright) mid bass. Then normal channel with 2 input sockets and volume treble bass speed depth red lamp off/ standby/on switch.

It looks like most of the caps have been replaced.

I think I need to sell it to be able to replace it with something I can more easily carry as my back is not what it used to be.

Doug


Trendsetter 60

New: 30/9/08

Contributor Evan Lorden has sent in some shots of his Trendsetter-60 undressed.

I recently acquired a VASE amp head - Trendsetter 60 - I think I might've mentioned in a recent post to you. It has a “Reverb” channel (seems unusual for Vase, I know) and a “Normal” channel.

There are mostly 12AX7's in the pre section, but also an EF86. I think this might only be used only in the reverb channel as it sounds like it has a bit more top end in that channel and less midrange. I think the Normal channel either has a different EQ filter circuit or uses just 12AX7's. It's a bit more Marshall-sounding, as opposed to Voxie on the Reverb channel, to put it vaguely.

The reverb tank is a very small one - I might look at swapping in a full sized one if I can find room in there for it. Seems a shame to change things in there, but this would be a considerable improvement to the sound, I imagine. The reverb has that stunted kind of sound -very short decay. It adds something, but it's not lush by any stretch of the imagination!

The vibrato works across both channels but sometimes takes quite a while to take effect once switched on.

  
The reverb line is the small box behind the row of preamp valve cans

  





Source: Evan Lorden


New: 26/10/06

Mike Meehan writes...

My Vase Trendsetter 60. Brought back from the grave by www.tymguitars.com.au.

Serial no. stamped onto chassis: 6011.

Beautiful condition, sounds beautiful. Bought for next to nothing, but not working.

trendsetter60mikejmeehan002front.jpg
Mike's Trendsetter 60 (sitting on a cab of a lesser God)
Bight channel, Vol, Treb, Mid, Bass, normal ditto, trem speed and depth, power & standby
trendsetter60mikejmeehan004rear.jpg
That's a very sufficient-looking power tranny for 60 watts.

Note that the output valves are mounted through the chassis to minimise the height of the head.

(ampspotters: the amps behind is a s.s. Roland Twin Chorus)


Trendsetter 80

New: 16/3/09

Serial number 8515.



2 x KT88, 3 x 12AX7, 1 x 6CG7 (driver/splitter whatever it is?). One of the 12AX7 is for the tremolo which is not currently working. Pull switch on the treble pot of each channel for treble boost.

I've been gigging this as a bass amp with an Eminar 2 x 15” cab.

The original plastic VASE logo was broken when I got the amp but a replacement was provided free of charge by the great guys doing the new VASE amps.

Big picture of underchassis

Source: Geoff Fagan

Vase Trendsdetter 80.

New: 21/7/09

80 watt valve guitar amp made in Brisbane in the late 60's. 2 X KT88, 3 X 12AX7 and 1 X 6CG7 valves.

Completely overhauled including new KT88's late last year by Giles Audio. Since then I have it used it regularly for gigs and rehearsals and it's absolutely rock solid reliable. Has a tremelo in it which is not working (repairable according to Ross Giles but I didn't want to spend the extra $) but otherwise it is 100%.

Sold for $600 on 8 July 2009.

Source: e-Bay per PaulC

History

from Mark Moffatt Sept '06

The Tony Troughton story really needs to be made public. So much formative & powerful Oz rock came out of Brisbane, and largely played through Vase amps. (see The Chain Towards the Blues inside sleeve) Just classy, smooth amps. Tony never could figure out why we wanted to overdrive them!! He let us hang out all the time at his house and the Breakfast Creek workshop , where my flat mate Dave Aust cut and glued the vinyl onto the cabinets.


from David Aust, Sept '06

I worked for Tony Troughton at the Vase factory at Newstead Brisbane from about 1969 to 1973. I was introduced to Tony by Tony Diccario (sp?) who used to work at Fords music shop at Woolloongabba. Tony D now owns Music Express stores in Brisbane.

I worked with Tony, Johnny Taylor (lead guitarist) Michael (?), and Kevin (?). Other technicians also came and went. Garry Broadhurst (broady) for a while.

My primary job was to apply the vinyl to the cabinets and amp heads. When Tony started using black vinyl the cabinets were made of chip board. I occasionally put on the grille mesh and piping on the baffles, drilled the chassis, sprayed the chassis, stamped the serial number on the back, screwed in the odd MSP speakers (17 watts each if I recall) and Celestions. I also prepared the matrix boards with the eyelets (boring as). Johnny Taylor screwed in speakers and blasted the area with his Gibson and any amp being tested.

When work got slow, Tony would send one of the lads to his house at Webster Road Chermside to do cleaning etc.

The feet for the black Vase range were vehicle engine Welsh plugs. Tony had a die made which went in the bench clamp and was tightened to make the indentation for the 12 gauge wood screws to sit.

The covers for the black Vase were made by an old lady whose name I can not remember.

Tony used to sit at the bench chain smoking his beloved Senior Service cigarettes. Tony was a hard man and insisted on things being done properly, for example the slots on the 10 gauge nickle plated wood screws for the back had to be in line. The weave of the black grille cloth had to be square and parallel, otherwise you had to unstaple and start again.

We were flooded in the early 1970s. All the chip board cabinets at floor level swelled and had to be thrown out. Many MSPs amn Celestion speakers were also damaged. Tony kept the best and re-coned the MSPs.

A favourite trick for new workers was for a techo to power up the big 1000 volt ?? capacitors and throw it to the new kid who would catch it and get the current. Work Place health and safety was unknown back then. We all used to get 240 volt boots occasionally.

Tony supplied early ozzie blues group Chain with Vase amps. Tony used to drive this mammoth Ford Galaxy station wagon, he later bought a black Ford LTD.

I had the chance to use Barry Sullivan's (Chain) old and battered 200 watt bass amp. (4xKT88s and 4x18 inch Celestions in 2 columns). That amp would flap the bottom of your jeans).
[4x 18's? David is obviously a bass player]

I miss old Tony, we used to argue politics very loudly in the factory. My favourite memory is when he wanted to say something important Tony would say, with his broad Yorkshire accent “Between you, me and the gate post Davey lad” Another famous Tony saying was “Sticks like shit to a blanket”.

I am still playing the 80 watt “white” Vase Bassman I bought off Tony in the early 70s. The amp head had been repaired and not collected. I think I paid about $60 back then. Serial number is 2000. I have recently re-installed the KT88s (Sovtek) after 20 years of using 6L6s. I bought a white Vase quad box in the mid 1980s and put in rather average Etones.

The Vase head was serviced by Wayson's (Rosalie?). I had a new Ferguson output transformer replaced early 1990s and had to replace one of the old 1000 volt capacitors.

Thanks for the opportunity to pass on my memories.

David Aust
Brisbane.

Thanks for sharing those memories with us David. Note; Newstead, Woolloongabba, Chermside, and Rosalie are suburbs of Brisbane.


New: 3/7/06 from Graeme Whitehouse

VASE had definitely gone the way of the Tassie Tiger as long ago as the late 70's. Tony Troughton had sold the company not too long before his death, however production was limited and mainly focused on transistor models including some combos. These amps are rare and not very popular.

Matt Parker takes up the Vase story...

They were made by an ex-pom by the name of Tony Troughton, started about the mid-late 60's in Chermside, a northern suburb of Brisbane.

I believe he made them with an off-sider under his house. Don't know if he made the cabs etc or a third party did them for him. They were always head and cabs, I've never seen a combo under the Vase name.

There were two main types of amps, Dynabass and Trendsetter. These came in 40, 60, 80 and 120 watts.

The Dynabass was just a single channel, two inputs, 2 x 6L6s, from memory pretty close to a Fender Bassman.

The Trendsetter had 2 channels and Tremolo. They are a hi-fi-ish sounding amp, clean but damn loud. They all used 6L6s I think.

A friend of mine has a 120 watt Trendsetter and man is that thing loud. I've been right in front of it with a 4 x 12 and a Big Muff at full tilt and it was terrifying the volume that thing was putting out.

He made some PA stuff as well and also some hybrid and tranny amps exist too from memory.

Unfortunately Tony died in the mid 70s, I believe he got stung by a jellyfish while at the beach and had a reaction to the sting.

There are some combos, both guitar and bass going by the name of Matra-Vase too, they kinda look like late 70s amps possibly.

I own a 40W Dynabass, I had the original 3 x 10 cab but unfortunately it was stolen and only have the head left.

Matt
Thu Jun 24, 2004


Split/Sound

October '05
Rig Front

This rig is really as lovely as it looks
great condition, solid, powerful, featured.

Head rear

What looks like a pair of KT88's at left, preamp cans,
and good protection with reasonable ventillation.

Front panel
Click on image to see full size in new window.

The controls on this amp are really out of the ordinary and deserve some enlightened guesswork. (corrections welcome)

The story starts in the middle of the panel with an authentic, classic, and oh so cool, red jewel-bezel pilot light. The Rhythm and Solo channel input sockets are either side.

The controls on the left will be for the rhythm channel and include a single “vibrato” control. This is more likely the depth control for what is actually a tremolo, and that the speed control is the white knob on the rear panel.

At far left we have a response control for Lo, Normal and Hi, response shaping, and treble and bass controls.

The right hand controls provide a middle control instead of the switched response control.

Finially is the 3-position power switch that forces you to go through standby between off and run.

Note also the Split Sound and Echolette (tape delay echo) sockets. However these actually operate, they are pretty exotic for an amp of this vintage, and mark it as something a bit special.

My best guess is that these are some sort of Effects Send and Return loop, certainly implied by “Echolette” (a type of tape echo unit).

A curious point is the name “V.A.S.E.” on the front panel. This makes me wonder if Vase was an acronym that orignally stood for something like Valve Amplifer Single Ended?. (see heading)

I didn't have the pleasure of plugging this one in and trying it, so I can only go by appearance, but that alone sends me two strong messages.

The front panel says that it was designed to suit the needs of a working guitarist who sometimes wanted to play loud, but who also wanted a palette of sounds, and facilities for occasional recording or DI's for very big gigs.

The knobs look very player-practical. It happens that sometimes you simply have to change some setting while you are playing. Since both hands and most of your brain is already occupied, the wild flick, feet, knees, noses, and elbows come into play. This general chicken-head type knob is easier to set “informally” than a pure rotary cylinder, particularly a fiddly small one.

As a tech looking at the rear it looks like an example of good engineering, a well thought-out build. The fact that it seems to still be in prime condition after all these years speaks for itself. It's a survivor for all the right reasons.

Source: Music Swop Shop Sold Oct '05

PA200

An “oddity”.
Source: ANZAmps, Geoff P Thu, 21 Jul 2005

Bassman (blond)

New: 21/1/08

Another beauty from Neil Rote;

vasebassman1frontrpnr.jpg   vasebassman2backrpnr.jpg

vasebassman3panelrpnr.jpg   vasebassman4rearrpnr.jpg

vasebassman5cabrpnr.jpg
Note the vent, right

Source: Neil Rote
Grouse Guitars


Bassman 80 Deluxe

New: 16/3/09

Vase Bassman 80 Deluxe with 2 x 15” cab. No further info. Sold for a paltry $600.

Front     Rear

Source: e-Bay per Geoff Fagan

2 x 12” cabinet

Front     Internal

Ported, probably for use with bass? The speakers are Altec-Lansing 100 watts each, who knows if they are the originals.

Source: e-Bay per Geoff Fagan


Bassman 80
2 x KT88's
4 ohm output
Serial: 8531
Click for full size 70k jpg
Click for full size 70k jpg

Source: Music Swop Shop

Power transformer on the left, above the Cannon mains lead connector and fuse. Bias tranny. Sovtek KT88's in this one, shaped a bit like old 807's rather than the fat straight sided Mullard type. Driver twin-triode is visible between. Solid output transformer and output connector (marked 4 ohms). The back with its grille is on top of the case behind the screwdriver.

Looks like it would be loafing at 80 watts, even for bass.

Price Paid: $450 $Aus used 
Year ?(late 60's early 70's)
4x 12Ax7's input
two KT88's in the power section
Speaker cab 4x12-inch

Submitted by Bierdo at 08/21/2000 21:21

Source: Harmony-Central


Bassman 150 Deluxe Head

Price Paid: N/A used 
mid to late 1960s
internal component has a 1966 date stamped on it.
Inputs for guitar, bass guitar and organ,
outputs for various impedance speaker loads.
Vinyl-covered ply case is fairly compact
heavy with two big Fergusson transformers
two heavy duty chrome 'D' handles on top.

Submitted by Bonza at 04/07/2004 06:03 
Source: Harmony-Central

Bassman 120 Head

New: 23/4/07

Source: Grouse Guitars


Two Channels, Bass/guitar/organ inputs
4 valves
The 4*12 cabinet
Submitted by Mook at 04/04/2002 22:43 
Source: Harmony-Central


Source: e-bay

Bassman 100 Head

Price Paid: very cheap, used 
two valve, two channel head
guess early to mid 1970s
Inputs for guitar, bass guitar and organ, 
outputs for eight ohms speaker load
Vinyl-covered ply case is fairly compact
unit is heavy with two big Ferguson transformers
this model only has a single PVC 'D' handle

Submitted by Bonza at 04/07/2004 06:16 
Source: Harmony-Central

Trendsetter Deluxe 120

Pic new: 21/7/09
vasetrendsetter120deluxe1front-ppqp.jpg

Source: Paul Lepetit, Paul Alfred Le Petit Recording, Woodstock, Qld.

120 watts into 8 ohms
Both channels have their own high and low inputs. 
Channel A: Volume, Treble, Middle, Bass.
Channel B: Volume, Treble, Bass, 
Vibrato speed, Vibrato Depth.
Two cabs with 2 x 12 each

Submitted by Tim at 08/10/2003 07:39 
Source: Harmony-Central

---

Price Paid: Au$598 (1968) 
Built: 1968
Deluxe has KT88's and Celestion Greenbacks (G12M)
No reverb but a great tremelo
Open back design and 3 x 25 watt speakers

Submitted by Rod at 02/21/2002 00:07
Source: Harmony-Central

---
Price Paid: $900 (aus) used 
I have Music Man, Marshall, Sound City, Peavey
 and have owned a few Fender amps over the years
 and would never sell this amp.

Submitted by Peter at 11/10/2000 22:56
Source: Harmony-Central

Dynabass

Neil Rote has a few restrained words to say about the Dynabass series;

OK, so you can tell I'm smitten by early Australian amps. But it's not just baseless romance.

   

These are great amplifiers. The Vase Dynabass head is a 40-50 watter pushing out some of the best EL-34 tones you will ever hear. Great on bass, where its warmth and detail provide an experience a bassist will never forget!

But, like the fabled Fender® Bassman®, guitarists are the unlikely benefactors of the 'stripped-down' design, with just bass, treble, volume and power (off-standby-on) controls on the front. But, unlike the Bassman, the Vase comes with Bass and Guitar inputs, each displaying different frequency responses.

Vase amps were made in Brisbane (Queensland, Australia), and the build quality and solidity of this amp have to be seen to be believed. Huge transformers, civil-engineering style chassis strength, and not an ounce of chipboard to be seen in the wooden cabinetry.

Truly an amp for life; point-to-point hand wired, and grouse quality.

Source: Neil Rote, Grouse Guitars


Price Paid: Au$550 in 1985 used
Two non-switchable channels for Bass and Guitar
bass and treble knobs
 Bass knob pulls out for bass boost
the speaker bin is really, really heavy
 handles on the side of the bin are knuckle crunchers
probably a better guitar amp than bass amp

Submitted by Anonymous at 12/08/2003 18:14 
Source: Harmony-Central

---
Price Paid: Au$500 used 
100 watt
original speaker box contains 3 speakers i think

Submitted by Ben at 02/19/2003 00:56 
Source: Harmony-Central

Trendsetter 60 Delux

Price paid: $153

2 channel
Fender style preamp & tone stacks.
Preamps are 12AX7s.
The Phase Inverter is a single stage splitter,
The other half of that 12AX7 is the Trem.
6CG7 that's used as a driver for the outputs.
Outputs are a pair of Philips EL34 also branded 6CA7.
Adjustable fixed bias
The Plate voltages are ...
 Outputs, 490v
 Screens, 450v
 Drivers, PI & trem, 380v
 Preamps, 330v
The rectifiers are solidstate.
Head is too heavy for a single handle in the middle of
the top.

Source: ANZamps, Cliff Rogers Tue Aug 26, 2003

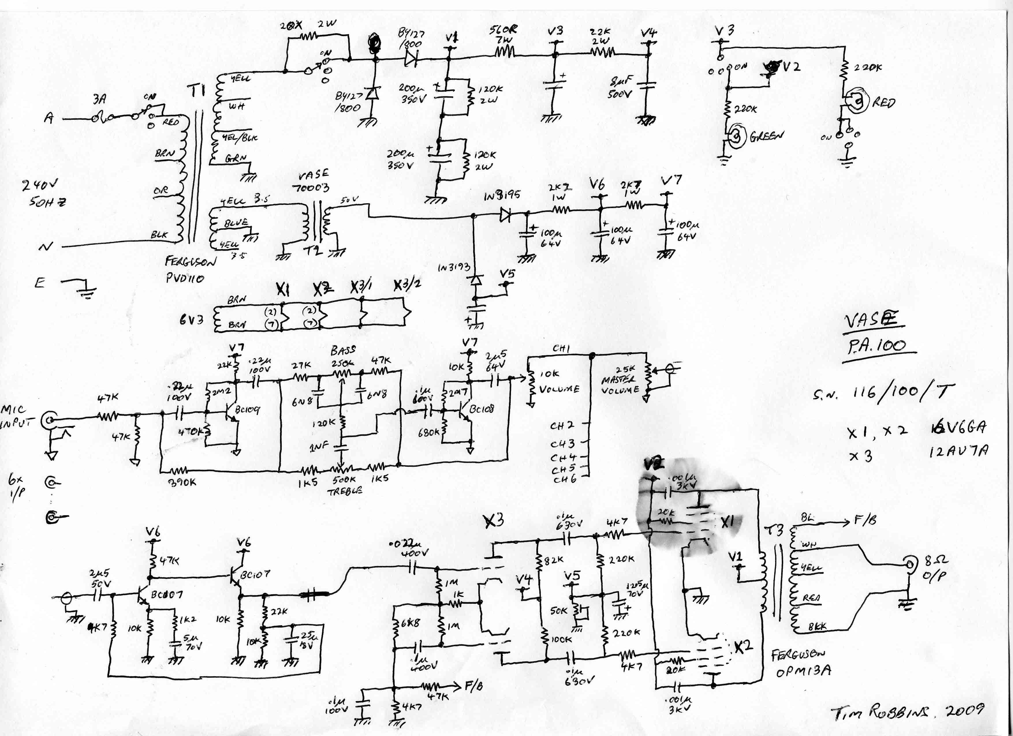
PA 100

New: 21/7/09

Tim Robbins has completed the restoration he mentions below, and has compiled a 9 page highly detailed report on this amplifier, including checking the original design engineering in detail. This is an excellent example of an almost forensic examination and renewal, and well worth reading.

New: 17/3/09

Tim Robbins writes;

Front panel

Large pic of front panel “underchassis” wiring. (Caution: may contain traces of silicon)
Large pic of main amp underchassis wiring.

I am just starting to renovate a VASE P.A.100 amplifier.

Circuit near here

I have prepared a schematic, but have a few outstanding queries and was hoping to clarify details before testing out the amp fully. I would appreciate any advice you may have, or any advise from your website viewers.

My main issue is to identify the original valves chosen for the amp, and then to confirm resistor values to replace a couple of older style chocolate resistors that have changed value.

In summary:

Serial number: 116/100/ T

6 microphone input channel PA amplifier.

Each microphone channel with BC109 input, followed by Baxandal Bass & Treble tone controls, and final BC108 output to volume pot. 6 channels summed to Master Volume pot. 2x BC107 input to mono valve amplifier stage. 12AU7A long-tail splitter and 6V6G push-pull output, with secondary side feedback.

Output Transformer = Ferguson OPM13A [Rated at 55W, with 15/8/3.7/2 ohm outputs]

3500 ohms plate-to-plate, 55Wrms, taps for 15, 8, 3.7 and 2 ohm output.

Power Transformer = Ferguson, PVD110, 8-69, V3

230VAC in, 173VAC out, doubler to 450VDC at 200mA, 6.3VAC at 3A c.t., and 6.3VAC at 4 A. 8-69 = 8th month 1969?

POT's = “IRC CT545 FO 500K” Likely 1965 or 1975, week 45.

Top view

Unsure if 6V6G was original selection. I doubt it, more like KT88's. - rr Also unsure of resistor value for screens (appears to be 20k, but resistors read about 400R), and for on switch bypass on HT rail. Also unsure of transformer secondary configuration, and what appears to be a choke/transformer with marking VASE 70003.

A possible output colour-code.

Measured rails with valves and no load were V1: 550V; V2: 525V; V4: 415V; V5: -59V, and heaters were sitting at 6.9VAC.

Tim Robbins, Melbourne

Rear view

From the circuit it seems that the six channel mixer is the very basic resistive type. This has the serious drawback of interaction between the gain controls. A much better arrangement is the Virtual Earth or “feedback” mixer. -rr


PA60 Head

New: 21/7/09

Underchassis full size, power supply end, preamp end. Caution - 1Mb each.

Source: Paul Smith

(Previously misfiled under Vadis ...ooops).

pa60ebaydb_1_b.jpg
Source: e-bay

New: 21/1/08

PeteRH wrote (14/12/07);

Hi Roly, Attached are some photos of a Vase PA60 head. The amp runs a tranny [solid-state] front end with a 2 - 6CA7 output. The two holes on the front are where some phone inputs were changed to cannons at some point. It could have been original but I doubt it looking at the holes. Thanks for the invaluable site you have put together. A great reference for aussie amps. Best regards
PeteRH

pa60front0070.jpg
Note retrofit XLR's, left - originally all 6.5mm as right

pa60above0068rpps.jpg
Mains input XLR, left rear

See close-up of underchassis
A delightful build, and typical of Vase.
{Fee Fi Fo Fum ... anyone spot the transistors?}


Paul Smith writes from Brisbane (11/1/08);

I acquired a Vase PA60 all-valve head a year or so ago. In looking through your site, I see it is listed as “known to exist”. In the spirit of the site, I plan to provide some photos & more detail on the amp in coming weeks. I'm not a technical guy, so will do what I can re photographing the right bits & looking for dates etc.

The amp is quite simple - 4 separate channels, each with a volume control. The channels are grouped into pairs for treble & bass controls, with a master volume for overall output. Valve configuration is a 12AX7 for each channel pre-amp, a 12AX7 for the output driver, and two 6L6's[*] in the output stage. Not sure if these are the correct valves from spec - I just replaced with equivalent valves to what was already in there. I am yet to date them amp, but consider it is likely to be mid-60's to early 70's. It has the chicken-knob controls like some of the earlier Vase gear.

The amp is fantastic for guitar. Quite variable in tones, from warm & clean on lower channel volumes, through a Bassman-like breakup around mid-volume. When driving the channel volume you can achieve great valve saturation, rivalling a Marshall overdrive. Having a master volume makes it somewhat more controllable, although a lot of the tone seems to come from driving the output stage. It is a true 60 watt - quite a loud amp. I am using it to drive a 2x12 box with Celestion Greenbacks - a great combination. A good find and the envy of my band mates.

I really enjoyed the website - a great resource for Australian musicians.
Kind regards,
Paul Smith
Brisbane

* it's more likely this is intended to have 6CA7'/EL34's, as in Pete's, above - rr


Price Paid: $200 (AU) used 
. 4 inputs
. 1 channel 
. bass + treble controls (each input)
. power amp master
. preamp gain for each input 
. stereo power amp
5 preamp tubes
3 power amp tubes

Submitted by meravia at 04/05/2004 15:46 
Source: Harmony-Central

“Three power valves” and “stereo” may be mistaken. -rr


New: 21/7/09

Sean picked this up at a Brisbane market.

vasepaold_03leftfront-s-h.jpg vasepaold_02rightfront-s-h.jpg

Hybrid 100

New: 20/12/10


“100/26”

Source: Evan Lorden

Valid HTML 4.01 Transitional <<<OzValveAmps