<<<OzValveAmps

Amplifier Stability

An amplifier is only an oscillator waiting for the chance


Definitions of amplifier stability are the inverse of conditions for oscillation.

Oscillations can take the form of sustained audible signals, very low frequency 'motorboating', or supersonic 'thud-hiss (distortion)'.

These are frequently sensitive to control settings, such as motorboating to the bass setting, and supersonic to the treble.

Theory

Oscillation will result if:
  1. the phase shift (time delay) around the feedback loop is in-phase (positive or assisting), and
  2. the gain around the loop is greater than unity, that is greater than the total loop losses

Practice

If you have oscillation the problem is how to get the feedback around the loop to a low level when it is in phase; conversely how to keep it sufficiently out of phase (negative or opposing) when the loop gain is high.

Motorboating

This is very low frequency instability at around vibrato frequencies, 1 to 10Hz.

In older amps this is almost always due to large value electrolytic capacitors 'drying out' or basically losing capacitance with age. Sometimes these can be 're-formed' but replacement is often a better option.

Other causes can be due to where, exactly, the various filter capacitors are 'grounded'. In one case intractable low frequency hum and instability was traced to a filter cap being grounded to the signal shields.

Single point earthing at the main filter capacitor isn't a new idea but it still works. Many guitar amps ignore this with many grounds to chassis all over the place, inputs, output, power supply, and others.


Daryl Mills of Logic Research wrote (23/7/04)...

I did a repair on an old Jansen lately...

You mention the capacitors dry out, very true as I measured some that the value had shifted more than 100%.

You don't mention what I found was also a culprit (the amp was motorboating and oscillating), many of the old resistors although they looked fine had also shifted in value of 50% or more and were really doing a lot of damage.

I've even kept a perfect looking 10k that measures 15% just as a 'talking point'.


The older the resistor, the more suspect it must be. Very old 'dumbell' resistors (see Amplivox chassis pic) with wire connections wrapped around the end, using body-end-dot coding, must be checked. These are now so old that, like waxed paper caps, you should consider replacing them on sight.

Higher values, 1M and up are always suspect as these are particularly prone to drifting high. Daryl's experience shows this is not always the case, a low value going really low.

Decoupling

This is a fragment of a Goldentone 1755 power supply showing the decouping networks, so-called because they are intended to provide DC power while de-coupling the stages from each other for AC signals.

Goldentone 1755 HT decoupling

There are a couple of different ways you can look at decoupling networks depending on what you're doing.

The simplest way is that the shunt cap has to have a low reactance to signal frequencies or the stages will have a load in common to impress signals across.

Another way is as a set of low-pass CR networks which are tuned to a very low frequency well below the amplifier passband (so that when the frequency is low enough to pass the decoupling network, the amplifier gain has already dropped to a low value below its bass cut-off frequency.

If either the cap or series resistance feeding it should go low in value the filter frequency will rise, f=1/wCR, into the passband of the amplifier (where it now has gain) and a low-frequency oscillation may result. But it may produce other odd effects if the unwanted coupling is of opposing phase (see below).

A similar supply decoupling network is frequently used for the screen of pentodes in low-level stages (rare in guitar amps except possibly as the reverb driver stage) and similar considerations apply. It is not unknown for screen by-pass caps to go low or open and cause problems. “By-pass” because they shunt any signal to ground.


Supersonic

Supersonic instability can be recognised by a characteristic “thump, hiss”, and a loss of level and/or fidelity when a control, normally treble, is advanced. Below this setting everything may appear to be fine. Amps with this kind of fault, particularly solid-state ones, should not be run in this condition for more than a few seconds. You may not be able to hear it but assume that it's close to full available output power and flogging the guts out of your amp - you may even see the pilot light dim. It is particularly deadly for piezo tweeters.

This may come in the form of a solid oscillation, or more insidiously as a parasitic oscillation. This is a burst of oscillation that only occurs when the amplifier is driven, over only part of each input cycle, and possibly only at high levels.

This generally makes a subtle mess of the sound and flogs the output stage and speakers.

The only real way to investigate this is with an oscilloscope where the oscillations may appear as fuzz on signal peaks. Keep in mind that these may be high enough in frequency to be outside the passband of many cheaper “audio” CRO's. The workshop AM radio tuned off a station can sometimes give an indication of RF-oscillation in an amp.

Most valve guitar amp output stages are fitted with small RF-stopper resistors right on the grid pin, VHF-style, typically 1k5. The object is to kill the Q of the hidden VHF oscillator lurking in the black heart of each output valve. With 807's in particular the anode has to get the same “stopper” treatment or sometimes a lossy Radio Frequency Choke at the top cap.

Apart from self-oscillation within a stage, HF instability can be caused by direct capacitive coupling back to an early stage from one of the later high level stages.

After eliminating broken grounds and all by-pass caps as okay, the cure is generally adding shielding, such as (restoring lost) preamp valve cans, re-dressing underchassis wiring, changing open signal wires for shielded, even installing tinplate shielding.

Look out for added crossover networks possibly in multi-way cabs matched to a head later, or retro-fit tweeters.

Few early amps were tested on other than their intended load, generally a group of identical speakers in a direct-radiator cab. Stability may be degraded by a passive crossover.

Audio frequency

This is rare and generally due to a microphonic preamp valve (but I have just replaced a microphonic 6CA7/EL34, one of the worst cases of full-on audio feedback microphony I've seen).

It is not unknown for 'Foo' to have rewired the output connector with the feedback reversed. After replacement the phasing of an output transformer must be checked, it's not enough to assume that because it doesn't take off the NFB is corrrect. Many valve guitar amps have such low NFB that reversing it won't always result in oscillations.

The correct way to check NFB phasing is to disconnect the NFB, drive the amp very lightly, then re-connect the NFB and observe if the signal level rises (wrong) or falls (right). If you measure this reduction and express it in dB, that's your amps NFB level.

The negative feedback line often consists of a resistor with a parallel phasing capacitor. If this cap happened to fail open the amplifier stability would be reduced.


Won't turn down

During final test a curious fault emerged where the amp still had output when both channel volume controls were turned down to zero.

Both pots were checked that they grounded their wipers at zero, which they did (and unlikely both would fail the same way at once).

Twiddling discovered that they both went to a minima at about 2, and that the minima had a very “phasing” quality to it. This suggested that there was imperfect cancellation from two different sources. But how could the signal get past the grounded pot wiper?

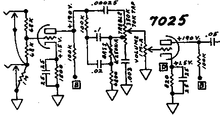
Fender 6G7-A Bandmaster preamp circuit

Okay, what's common to both pre's? Both are similar and draw their HT from point [B] which is the end of the HT bypassing chain (not shown). And this is the clue.

If the bypass cap on the [B] rail isn't working then signal can pass via the local HT line from the anode of the first valve to the anode of the second, and thus past the volume control. The anti-phase effect is because this second valve inverts the signal, and the lack of match due to the tone control networks in one path.

Sure enough, the [B] rail bypass cap was just a tiny fraction of its marked value of 25uF, effectively open circuit.

This example illustrates that even opposing or negative unintended coupling can produce strange unwanted effects, not just aiding or positive coupling.

It also demonstrates the role of the bypass capacitor in providing an AC ground at a DC voltage.


Normally when we are servicing we think in terms of forward signal flow, so if the problem is influenced by the volume control we tend to look for the problem before there.

With stability problems, however, the problem can sometimes be downstream from there. Consider the case where the unwanted injection is taking place in the stage after the volume control. As the control is varied the impedance from the grid to ground changes and this may lead to a situation where the amp is unstable only for a mid-range of volume settings where the impedance to ground is sufficient to develop the unwanted signal across.

Circuits concentrate on the signal path and one of the things that makes stability problems difficult to trace is that they are either implicit on the circuit, for example mutual coupling through grounding problems, or not on it at all resulting from stray coupling.

“Intractable” is a word I've heard applied more often to stability problems than any other, particularly with a new build. Just remember that stability problems can be a bit more difficult to solve but not downright impossible, the major problem being to shift your perception until you see the signal paths as they have actually turned out under your nose, rather than what you thought you built or the circuit says.

Valid HTML 4.01 Transitional <<<OzValveAmps
http://www.ozvalveamps.org/stability.html | Last update: 23:34 14/01/06