|
http://www.ozvalveamps.org/repairs/tx429d.html | Created: 2017/12/21 | Last update:
2017/12/21
<<< OzValveAmps |
Information and comment about the TX-429D used by some Korg peddles.
Dateline: 2017/12/21
TX-429D devices as used in the KORG phasers etc.
Korg were trying to make a voltage controlled resistor, i Jfets have a problem due to the internal diode between gate and D,S, and mosfets have problem with a diode between D and S, if you can tie off the substrate somewhere then MOSFETs might be useful.
I don't think the device is similar to the typical dual gate RF MOSFET. In the circuit applications the drain and source can reverse polarity i and MOSFETS can't do that because of the body diode connected to the substrate. Also the TX-429D device is a P-channel device. It looks like it operates similar to a "transfer gate" in 4000 series CMOS or the switches in a CD4016.
For the TX-429D
- pin 2 is the substrate and connects to +
- pins 1 and 3 are the in/out terminals of an analog switch
- pins 4 and 6 seem to be a distributed gate
You could probably replace it with a pair of P channel MOSFETS with
This is a reasonably common way to make an AC switch.
- the sources are tied together and become pin 2
- the drains are pins 1 and 3
- the gates are 4 and 6
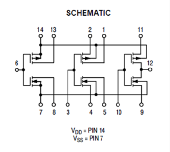
Compare with a CD4007
![]()
TX-429D CD4007 1 1 2 14 3 2 4 3 5 3 You could also make it more symmetric by using other devices in the package.
Source: BobT
|
|