http://www.ozvalveamps.org/jansen.html | Last update: 17:03 29/01/06
<<<OzValveAmps

Jansen

Beverley Bruce and Goldie Ltd, Auckland, New Zealand.

Beverley Bruce and Goldie was dissolved around 1978 when it became Brent Distributors and later Jansen Sound Ltd.

The current (July '04) address is:

Jansen Professional Audio & Lighting,
246 Khyber Pass Road
Auckland
PO Box 8100 Symonds Street Auckland
http://www.jansen.co.nz

Source: John Veldwijk, Technical Manager Jansen.

Contains:
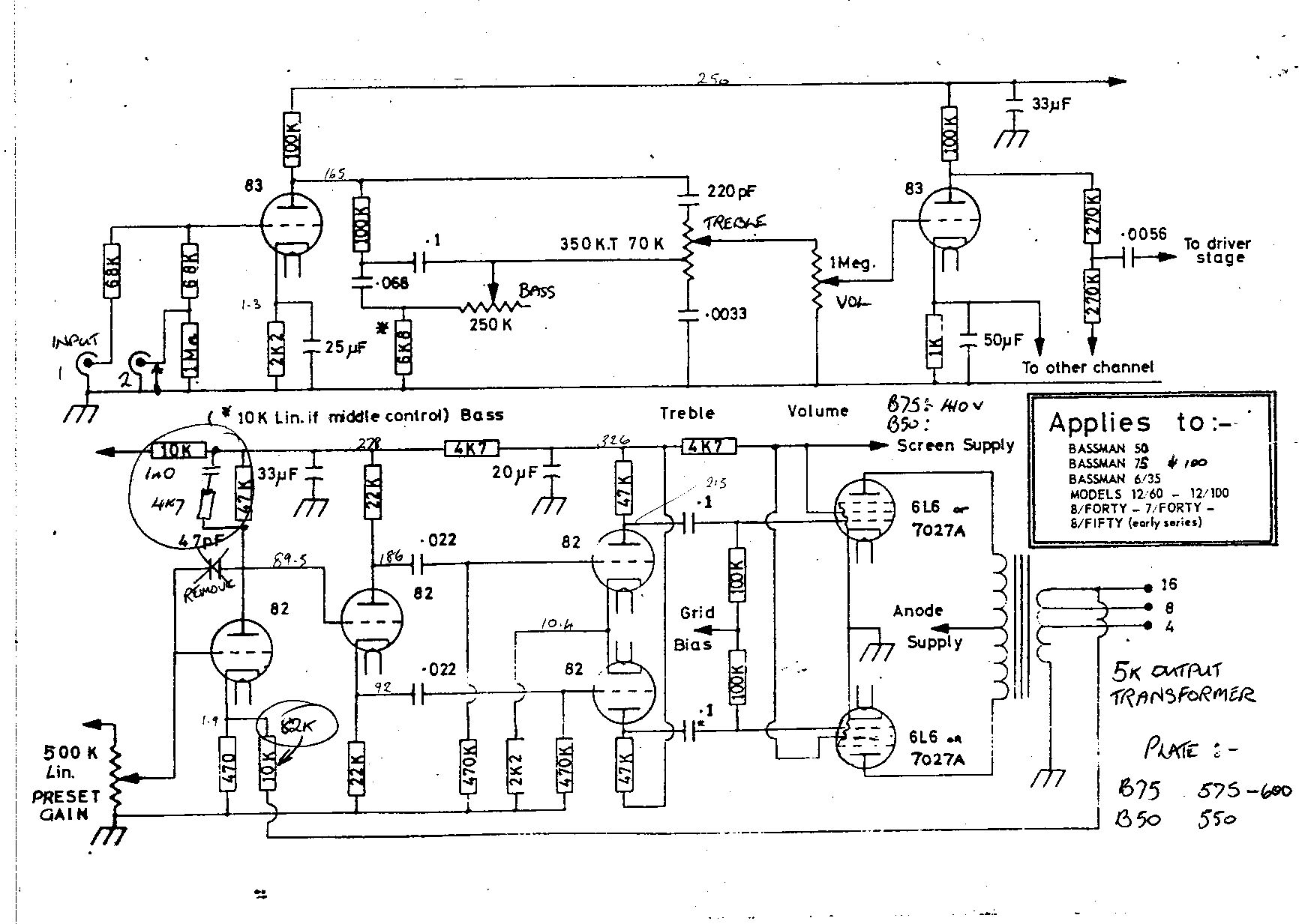
Circuits, Bass 100, Eight-25, Bass 75, Bassman 50

Circuits

6L6 or 7027A's:

Bassman 50, 75 and 100, 6/35, 7/40, 8/40, 8/50 (early), Model 12/60, 12/100

Bass 50, 75

Power supplies for 6/12, 6/12 Reverb, 6/20, 6/35, 6/40, 6/40 Twin, 7/40, 8/35

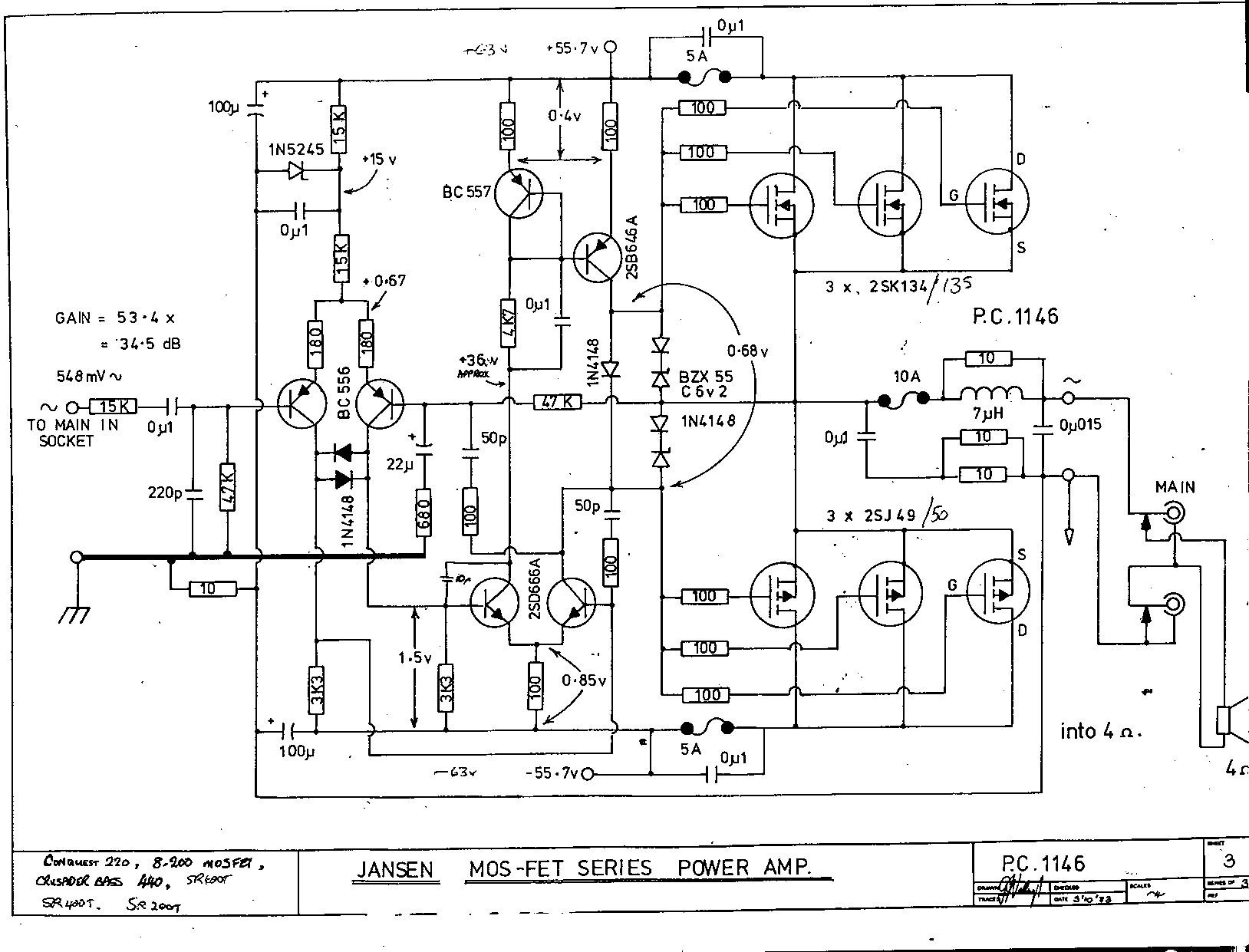
MOSFET models (each 50kb gif):

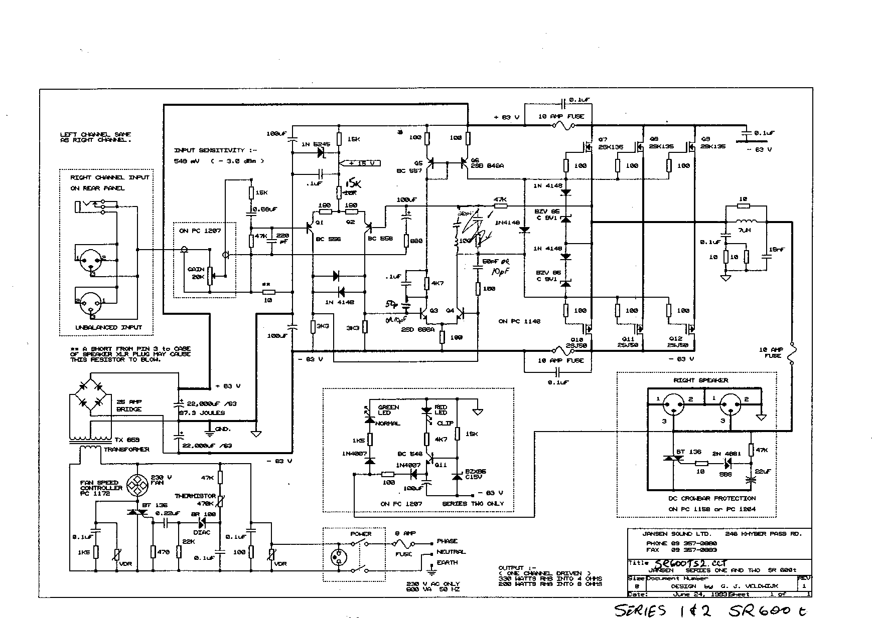
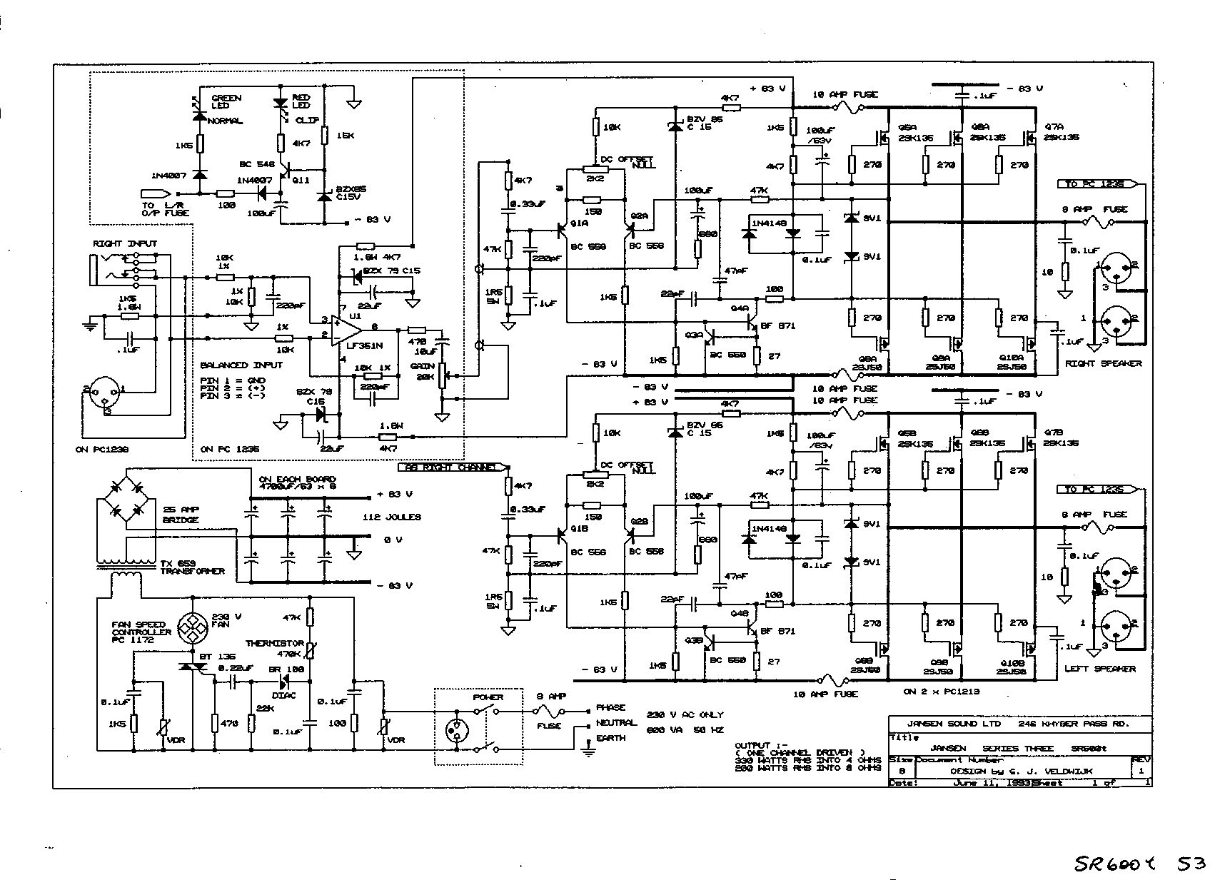
Conquest 220, 8-200 MOSFET, Crusader Bass 440, SR200T, SR400T, SR600T

SR600T Series 1 and 2

SR600T Series 3

Thanks to John Veldwijk of Jansen for kindly providing these circuits.


Bass 100

Bass 100 head
Source: Taree Music Centre

Eight-25

Eight-25
6 x preamps
2 x 7027's
SNo. 40915

Source: Music Swop Shop


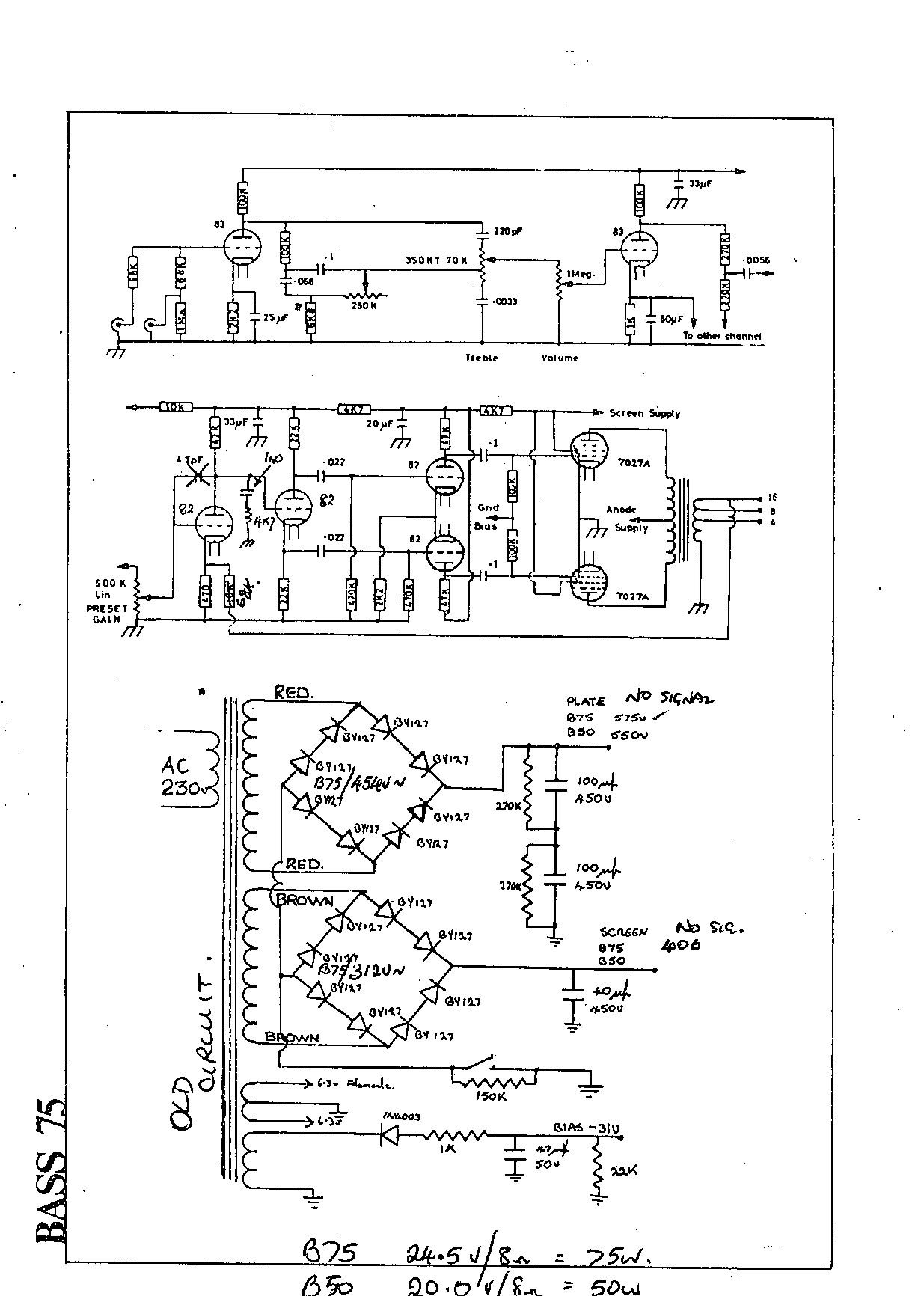
Bass 75

Bass 75
Source: Music Swop Shop

On 30/7/04 John Veldwijk, Jansen Technical Manager, wrote...

The Bassman series had an extra tube after the phase splitter to increase drive voltage to the grids of the output tubes. Fender circuits do not have this stage and barely make enough drive peak to peak volts to get full saturation. This stage also increases the gain by a large factor.

bass75rearswap.jpg

Price Paid: 350 (NZD) used 

two channels, each with two inputs.
Each channel has a volume, a bass and a treble dial, 
on the back panel 
of the amp is a master volume control.

designed for 7027A valves, but I have sovtek 5881s in it.

Submitted by tod robertson 

---

Price Paid: N/A 
The JANSEN Bass 75 is a more powerful version of the Bass 50.

The circuitry is identical but the 75 should have 7027A valves
 in it not the 6L6.

The two preamp must be ECC83 (12AX7) and the phase splitter/driver
 tubes must be ECC82. Any variation will cause problems.
 Especially if the preamp tubes are mixed.

A common cathode resistor is used for the second triodes of each
 tube so one channel will end up not working. 
Wrong tubes in the driver stages will cause distortion and
 loss of power.

Many other models include:
6/12Reverb,
6/40Twin,
6/35,
6/40,
7/40,
8/35,
8/50,
12/60,
12/100,
some included Tremolo and reverb. 

Jansen is still getting a steady stream of these amplifiers 
 for service and repair which reflects their popularity and
 reliability. 

The Bass 75 and Bass 50 have a preset Master Gain on the rear panel.

I'm the guy who has been servicing the amps at JANSEN for years. 

	john@jansen.co.nz

I started with Jansen in 1969 until 1972.
 Rejoined in 1978 and still here. 

I will pledge to do my best for all JANSEN owners in servicing
 and repairing all models made between 1959 to 1999. 

Source: John Veldwijk 

---

Price Paid: $450 (NZD (1=0.42US)) used 
Built: May 77
75 watt
Primarily designed for bass but I use it for guitar
after changing a resistor value to increase gain.

2 independent channels with two inputs each
 (i.e. 4 inputs total).
Each channel has bass, treble and volume control.
Adjustable 4/8/16 ohm main and extension speaker out.
ECC83 for each channel
 both feed into two ECC82s
dual 7027A's in push pull config.
The amp is also designed to take high rated 6L6GCs.
Has standby.
Amp goes to 2X12-inch cab.

Submitted by Anonymous at 05/25/2001 00:39 
Source: Harmony-Central

Bassman 50

In the fifties, valve amplifiers were the only form of amplification available. A bass rig of one hundred watts, fed through a set of four Rola or Philips twelve-inch speakers, was the envy of any musician who played in the venues of the day. In the days before the introduction of affordable portable PAs, many bands used Jansen's classic Bassman 50 amp as their entire sound system, with the microphones plugged into channel one and instruments into channel two.
www.milesago.com

from New Zealand Musician magazine, Vol. 8, No. 3 June/July, 1999

Matt's Speaker Facts
By Matt Hennessey

“Old Kiwi Valve Guitar Amplifiers”

Jansen Bassman 50
This is by far the most common of all the Jansen valve amps, followed by the Bassman 75. Bassman 35s, 100s and 150s are rarer. Guitar amplifiers include the 620, 630, 640 Twin, 645 etc. All the Bassmans use the same basic circuit which is a Jansen original.

The power amp driver is almost hi-fi with a pair of ECC82 (12AU7) valves in a slightly more complex three stage circuit than your average Fender or Marshall. Each of the two input channels use the usual single ECC83 (12AX7) valve. The tone control circuits are rather weird with a special 350K ohm tapped potentiometer for the treble control. However, all of the tone components are hand wired point-to-point off the main board and can be easily modified.

The amps were 100% hand wired before 1968. After this circuit boards were used for the preamp/driver valves. Some also have the output valves sockets mounted on the board while others have the output tube valve sockets mounted on the amp chassis, a more preferable arrangement.

Serviceability is generally easy. Something I like about Jansens is they copied the Fender Bassman chassis layout. So, the amp heads are easily converted into combo amps by making a vertically stretched cabinet that holds speakers as well as the amp. Two 10” or single 15” speakers fit nicely.

The Bassman 50 that I serviced was well maintained. The chassis was sturdy and component quality generally good. The transformers were larger than 50 watt Fender Bassmans.

I replaced the output tubes with Sovtek 5881s. Cheaper Sovtek 6L6GCs could not handle the plate voltage although they would be a good choice for the Bassman 35. I also repaired some wiring faults and modified the power amp feedback circuit per Jansen's instructions. All preamp/driver tubes were fairly new and tested.

Listening tests revealed a grainy, dull tone which showed up as poor treble response in bench tests. Jansen used a variety of transformer manufacturers, so all Bassman 50s may not sound this way. Bass response was good.


Price Paid: N/A used 

Circa 1960's
shameless replica of Fender Bassman.
Normal and Bass Channels, each with 2 inputs
 (2nd input of each channel gives higher input gain)
Each channel has Volume, Bass and Treble controls
ECC83/12AX7 pre-amp valves,
6L6 power-amp valves.
No reverb.
Main and Second Speaker outputs on rear panel.
Impedence selector 16/8/4 ohm.
Master Volume.
50 watts.
Covered like a Blackface Fender right down to the chromed logo.
The 2x12-inch cabinet is oversized.
The speakers are Phillips.
Jansen in Auckland can still do repairs.
...its a heavy bugger!!

also: Bassman 6/35 Head
Submitted by Alby NZ at 11/11/2003 21:50 
Source: Harmony-Central
Valid HTML 4.01 Transitional <<<OzValveAmps