|
http://www.ozvalveamps.org/cabinets.html | Created: 12/11/06 | Last update:
17:36 18/04/2012
<<< OzValveAmps |
“Speakers” - The other half of the rig.
Contains:
|
The term “speaker” is commonly used for both the driver itself, and also for the whole assembly, which is confusing. So to be clear, here the driver is the actual Rola, Greenback, or Celestion loudspeaker unit, while the cabinet is the box bit it fits into.
Drivers and cabinets interact very strongly and so need to be understood as a whole system, but first we need to understand a few things about the driver itself.
Thanks to the research of Thiele and Small (T&S parameters) we understand how drivers in cabinets behave much better than in the 50's and 60's when these classic amps were built and cabinet design was very hit-and-miss. The most important design constraint being the ability to fit through the back door of Mum's Holden.
Seriously.
Sadly our better understanding doesn't change the fact that there haven't been any major advances in driver design or manufacture since the 1950's (said J.B.Leak). The moving-coil driver is a truly horrible device with some nasty traits, but for better or worse we are stuck with it as the only game in town.
The cone assembly is a mass with a springy suspension which is damped and loaded by its suspension and the surrounding air.
The unavoidable combination of cone mass and springy suspension also means that the driver has an unavoidable mechanical resonance somewhere around 30-50Hz. These mechanical properties can be represented as an electrical equivalent circuit.
![]()
from amp to audience - left to rightWhere;
R1 = coil resistance
C = cone mass
L1 = 1/spring constant
L2 = enclosure cubic capacity
R2 = damping/paddingWe can see from the above that L1 (1/spring constant) and L2 (internal volume) can be traded-off against each other. In one direction we get tiny Hi-Fi cabinets with very floppy drivers, and in the other direction the open-back guitar cabinet with a fairly stiff driver. This gives us our first clue to why Hi-Fi drivers aren't suited to guitar use.
The flatness of response required for Hi-Fi is obtained at the expense of a very considerable loss of sensitivity, requiring massive power levels just for domestic listening.
In guitar amps flatness of response is of little interest, but high sensitivity is, so guitar cabinets tend to optimise sensitivity at the expense of flatness. With guitar the driver sensitivity in dB SPL/Watt is much more important than the response curve. This is the basic ability of the driver to convert electrical watts to Sound Pressure Level or watts in the air.
Amp builders are typically pretty coy about their cabinet efficiency, or perhaps just ignorant since it's not that easy to measure, so Yamaha is the only manufacturer I know of that actually quoted a figure - “1500mW acoustic power” from their TA-90. (Only puff specialists in the publicity department quote figures like 1.5 watts as “1500mW” - looks impressive if you don't understand what it means, but ignorant or dishonest if you do).
This amounts to a conversion efficiency of around 1.6% which is fairly typical of a direct-radiator guitar speaker cabinet (i.e. other than horn-loaded). Hi-Fi systems normally have conversion efficiencies much lower than this, forced by the marketing need for tiny bookshelf speakers that will fit in a small flat.
A little background
In the 1950's a home sound system was a radiogram (radio+gramophone), an imposing item of furniture the size of a sideboard with a single 12-inch speaker (often a Rola 12P) driven by a couple of 6V6's in push-pull producing 10-15 watts. While these had a light fiberboard back to keep fingers out they were effectively large open-back enclosures of around 200 litres - family fridge size.
As a result a couple of 6V6's was plenty loud enough in the livingroom and could carry the radio through the house while Mom did the Hoovering. But they weren't flat, tending to boomy bass and no trebles. Upmarket models might have two 12-inch speakers (but still monophonic), perhaps with twin cones for some top-end output. (we must remember that these grew out of the world of 78 RPM disk pressings that had terrible surface noise and little content above 3kHz to reproduce anyway, so people favored limited top-end reproduction).
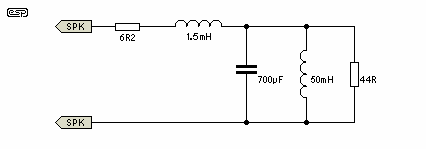
Below is a model for an 8-Ω (ohm) driver and cabinet from Rod Elliot fleshed out with some actual values. The resistance of the driver is part of its impedance and therefore can't be any greater. In this case R1 at 6.2 ohms represents the DC resistance portion of a nominal 8-Ω driver impedance.
This means that you can get a good idea of the nominal impedance of a driver by simply measuring its DC resistance with your trusty little yellow DVM. As a rule of thumb we expect the DC resistance to be roughly two-thirds of the impedance.
Knowing this may save you taking the back off an unknown cabinet to find out how it's wired - simply measure its resistance at the connector. If you measure less than 16 but more than 8Ω, it's a 16Ω cabinet, between 4 and 8 it's an 8Ω cabinet (the most common wiring), and if it's less than 4 it's a four ohm cabinet. Note that around car sound systems you will encounter 2Ω systems, but the normal range for classic valve amps is 4, 8 or 16 ohms, with 8Ω being the most popular.
![]()
This is the circuit the amp “sees” in the cabinet.
Source: Rod Elliot - ESPTaking Rod's “cabinet” I built a model in ECAP which produced the following graphs. Happily these match Rod's.
Note that this is not a response curve but a plot of how the cabinet terminal impedance varies in magnitude against frequency. This is very typical of a sealed cabinet. Notice that for most frequencies the actual impedance is considerably higher than the mid-band nominal, here 8Ω.
![]()
Note carefully the impedance peak around the bass resonance. A great deal of attention is given to this resonance by cabinet designers attempting to flatten out and spread this downward to improve bass response.
The other aspect of impedance is the phase angle between applied voltage and the actual flow of current through the driver - it is by no means purely resistive.
![]()
Initially at low frequency the current leads the voltage by up to 45°, so the cabinet looks capacitive, until we get to the driver-plus-cabinet resonant frequency when the phase slews rapidly to lagging or inductive by a similar amount. The phase then goes from -45° back to +45° across the working frequency range.
So there are only two places where the cabinet represents a pure resistance, at resonance, here around 25Hz but with a value of 45 ohms, and around 173Hz where it actually is the nominal 8 ohms.
This is called a reactive load because it doesn't behave as a pure resistance. As a result for one half of each cycle the amp output devices have to supply high voltage and high current at the same time. This can result in devices being taken out of their Safe Operating Area or SOAR curves. This can lead to smoking transistors but is seldom a problem with valves.
The Baffle
The figure quoted for a driver is the free air resonance, that is just the driver on its back on the bench and no baffle or cabinet. This allows the air compressed at the front to pass easily around the edge to the rear, effectively cancelling the output altogether.
From running the driver naked on the bench we discover it has no bottom end at all, despite rather alarming cone excursions with bass notes.
So the driver is mounted on a baffle to lengthen the path from the front to the rear. A simple baffle is just a large plate with a hole for the driver in the middle; not very practical for portable use. These were once very common in schools in an octagonal design about a metre in diameter with a level selector switch from a multi-tap 100 volt line transformer.
From our simple flat baffle we learn three basic things;
- the baffle causes air loading of the cone and this causes the resonant frequency to rise significantly,
- the output falls rapidly below the resonant frequency,
- bass response is proportional to the size of the baffle.
It is very common that commercial guitar cabinets are so compromised that the resonant frequency is encountered towards the bottom end of the guitar scale, and few are reasonably flat to bottom-E on a tenor guitar (80Hz). The Roland Cube series are a horrible example.
This is even more common with classic cabinets intended for bass and this falling efficiency of an undersize cabinet is normally met by using the brute force of a bigger amplifier, in some cases several hundred watts.
As we will see below a bit of cunning in the cabinet design can reduce the required power for gig-filling SPL very considerably.
Top end response
We can make the generalisation that the upper cutoff of a driver is about 80-times it's quoted free-air resonance. In practical terms that means that most guitar amps fitted with 12-inch drivers with a free air resonance of about 50Hz are starting to roll off around 3-4kHz.
This loss of effcicency can be met to some degree by adding treble boost with EQ, but the right response to the frequent complaint of lack of treble is to add something that can reproduce it. A top-box containing a low-reach or mid-range horn is the answer.
Open back
Any rigid construction that lengthens the front-to-back air path will serve, so the driver can be put into an open-back box. Most combos, even when fitted with some sort of back, generally have large openings that make them effectively open-back.
![]()
The low frequency corner, Fc, can be found from the length of the shortest air path from front to back of the driver cone, the low cutoff frequency being when that distance is a half wavelength.
Fc = c/2l
Where l = the front-to-back air path, and c is the speed of sound in air, roughly 1000ft/sec or 333m/s (A more accurate figure is 1024 or “one kilobyte”)
This means that Middle-C (~250Hz) has a wavelength of 4ft and a half wavelength of 2ft, or around 600mm. In the Fender Twin and similar open-back combos this is about the shortest path around the end of the case.
Therefore the output must be falling from there down to the 80Hz low-E. In fact what you are hearing are the harmonics of these lower notes because the speaker system is incapable of reproducing the fundamental. And it also explains why bass guitar sounds so thin and frappy through an open-back combo.
The frequency response of an open-backed combo is all over the place and impossible to predict. There is equal (anti-phase) radiation from the back and the overall response of the rig depends critically on what is behind it and exactly how the amp is positioned on stage.
Now consider what happens if you sandwich your combo between two big sealed boxes in a crowded amp backline, or perhaps pushed hard against the back wall. What will this do to the front-to-back air path? Open back cabinets are very venue-sensitive. Once you realise that managing the back spray is important you will start to get better results from your open back cabinet.
Modern drivers are generally not suited to open-back operation, having higher compliance (being more floppy) unless they are specifically a stiffer guitar or “instrumental” type.
While open backed cabinets are anything but Hi-Fi their lively behaviour is generally well suited to guitar, hence their popularity.
Sealed, or infinite baffle
The ultimate conclusion of extending the baffle is to bring it right around behind the driver and close it off altogether in a sealed box so no air can flow from front to back at all. So sealed boxes are also called infinite baffles.
![]()
In contrast to the open back these are the most straightforward and predictable cabinets to design, and to make road-tough. Today we have drivers that are fully specifed with their T&S Parameters, and there is software that will do the calculations for you. In this case the only possible output is the cubic capacity required behind each driver.
Now the bottom end is dominated by the driver resonance, that big bump shown above, but this resonance is raised in frequency by the sealed cabinet - the smaller the cabinet, the more it is raised.
Bass resonances for typical loudspeakers (Hz)
Dia Off baffle 1cu ft 2cu ft 3cu ft 4cu ft 5cu ft 15in 25 105 85 76 70 65 12in 35 116 85 76 70 65 12in 55 120 95 85 78 72 10in 52 105 82 74 70 68 9in 52 116 77 65 - - 8in 75 108 92 85 80 78 1cu ft = 28.3168 Litre
Typical guitar 12-inch speaker in blue
Source: High Fidelity Sound Reproduction (1958)You can spend a great deal of time fiddling about with alignments, but with guitar amps it's a fairly consistant rule that a 12-inch driver will require “about root-two cubic feet”, about 1.4cu ft or 55 litres per driver.
Now we understand why bass rigs that work tend to be big, and why the old saying “there's no substitute for cubic feet”.
For bass and keys this means at least a 15-inch driver and a 200 litre cabinet - as big as a family fridge.
You can make all sorts of compromises with cabinets, but in the end you can't cheat the physics.
There is no such thing as a “small, full-range, bass bin”. If it's small it isn't full range, and if it's full range it isn't small.
Sonically, sealed cabinets tend to be less “lively” than open back cabinets which may suit guitarists with a “clean” playing style looking for more fidelity (i.e. Jazz).
Padding
Many vintage cabinets were either built containing padding or acoustic wadding such as Innabond and Tontine (the Claybridge comes to mind), or had it added later.
One of the objects of internal padding is to absorb standing waves reflecting between the internal faces of the cabinet, and most padded guitar cabinets are over-padded.
The general effect is greatest between no padding and a little padding. As you add padding the cabinet gets less live, and eventually starts to sound dull and lifeless.
![]()
![]()
Left; 12-inch, 55 litres, no padding. Right; with 3-inch deep internal padding
Hornresp v8.4Padding can tame a cabinet that honks like a goose from excessive internal resonances, but in guitar work some resonance can be a good thing, so it's easy to overdo padding. And no amount of padding will tame a cabinet that isn't solid, rigid, and well-braced. Because of the very long wavelengths, 10 feet (3m) at 100Hz, padding has little effect at bass frequencies.
Padding works by absorption so there will also be some loss of loudness, but a skewed internal baffle will also scatter the resonances with less of a muffling effect.
Vented - tuned
Someone had the idea that if they added an anti-resonance to the problematic resonant peak they could get extended bass response in a small box, and the vented enclosure was born.
![]()
A lot of guitar amps have holes of some sort in the cabinet rear, but this had much more to do with cooling the valve amp inside than any acoustic design, however many of these will act to a greater or lesser extent as a tuned vent.
One exception to this were some of the Goldentone Bassmasters which had tubular vents in the bottom, and these were clearly the result of some actual design (and won't work properly unless they are up off the floor on the dinky legs provided).
When a cabinet has a vent or vents it means it has a particular bass resonant frequency intended to match the resonant frequency of the drivers originally fitted, something to keep in mind when you a re-speakering such a box.
While there are vented cabinets around these are typically intended for bass guitar, and cabinets with tuned vents are not all that popular with tenor guitarists.
Eminar 2x 15 bass cabinet with the back off showing the tuned vent across the centre
Horns
Where any kind of flare is used to couple the driver to the surrounding air a horn is formed.
![]()
Horns tend to be difficult to design, difficult to build, therefore expensive to buy, big, and have limited bandwidth.
This is the response of this 8-inch driver horn (black) which compares quite favorably to our de-honked standard 12-inch guitar cab, above (grey).
![]()
You take the trouble because this is where the moving coil driver really shines. The efficiency of conversion of amp power into sound jumps from a couple of percent to tens of percent, and they can be built to be short, medium, or long-throw.
![]()
A 15-inch in homebrew “W-bin” split and folded horn.This cabinet represents about the minimum possible overall volume for genuine bottom-E response, mainly being more cubic and deeper than normal. No, it won't go through the back door of Mum's Holden. And 5-string bass requires one proportionately bigger.
Use the venue
Some bass players already know that getting their cabinet into a corner can have magical properties. This is because the walls and floor form a crude horn around the cabinet, confining its radiation to one-eighth of a sphere.
A cabinet suspended in the air is radiating into a full sphere, on the floor into a half sphere, against a wall into quarter, and in a corner into only one-eighth of a sphere. With each step the sound pressure level goes up and the bass response gets better. So an open-back combo up on a chair or milk crate will sound thinner than on the floor, and fatter against a wall.
Moody 2x 12 closed back, conventional for bass
Very straight forward basic sealed cab. Originally traced from a Moody bass rig of about 50 watts. Another brace between centre-front and centre-back may be helpful, particularly for bass guitar use.
Construction
Primary considerations include rigidity to prevent resonant vibrations of the panels and provide strength for road-ability, and being air-tight to prevent whistles.
Points to watch; that rear bracing will clear magnets of drivers chosen, that front brace and speaker rims will not collide (increasing speaker spacing).
The baffle (front) is drawn with beading to space the grille fabric off the baffle front surface to prevent buzzing. This is not required if you use pressed steel speaker protectors, but if you do use fabric the baffle must be cut down a few millimetres to allow the fabric to pass around the back.
The same is true for the back panel if any covering such as vinyl or carpet is used, additionally the rear framing should also be set back twice the thickness of the covering to avoid it standing proud.
Variations: the dimensions are not critical so it could be made perhaps a bit deeper, then lower to trade off the volume if required. Open-back for tenor guitar use is also possible, but I'd still fit a plank across the top and bottom back for strength.
![]()
Metricated from inches and fractions.There have been plenty of cabs like these built using chip- or flake-board, but that has to be the worst choice for just about anything. You can use MDF but it is heavy and prone to be fragile on the road, or best, planks of real tree, but I find ply a good compromise that is light, easy to work, and lasts well.
“Marine” grade ply is only required if you intend to leave the cabinet raw without covering, otherwise the cheaper normal grade with surface knots is sufficient, but in either case should be at least 15mm thick.
If you don't want to cover it and leave it “in the wood” then your choice of timber will be driven by the desired end-look.
It's one thing to build a box, but as you are building you will discover that you have to move it around, and with the cab naked this can be a bit like Sumo wrestling - it needs handles. And it needs a connection and various forms of protection if it is going to last on the road.
Covering
The traditional covering is glued-on cloth-backed vinyl. These days many people favor boat carpet (yes, that's what it's actually made for) but being for boats (rich people) it costs around $15 per square metre. It comes in a range of colours and if you want colour that appears to be the only option.
I've found a very acceptable alternative is root-balling cloth from your local garden nursery supplier at around $2 per running metre (2m wide, making it around 1/15th the cost). It's so tough it laughs at sizzors and Stanley knives - you literally need tin snips to cut it.
Corners
The corners are what take the punishment on the road, so you see most gear fitted with case corners of some sort. I've found the metal ones I've used a bit problematic and these days use the heavy-duty plastic ones from Jaycar (etc, HM-3829 $A12 for 8). A bonus is that you don't need specific feet as these corners serve.
Speaker cone protectors
Speakers need protection, not just from teenage girls mobbing the band, but more from damage in the van in transit. Speaker fabric looks good and is traditional, but gives little protection against a rampaging mike stand.
Pressed-steel mesh protectors don't look that great, but they are really functional at protecting your valuable speakers. (Jaycar AX-3524 $7.50)
Handles
Every musician has to face The Lug, bomping gear in and out of storage and venues, and you might as well make it as easy on yourself as you can. And lot'sa handles make it easier. Well chosen handles won't damage your hands.
For smaller cabs one or more strap handles (e.g. HS-8022) on the top are useful. The temptation is to put the handle in the centre of the surface, but it is more logical to locate the Centre of Gravity and place a single handle directly over that. In an amp head this may be well off-centre.
The C of G of a cabinet can be found by placing it on a length of round dowel (e.g. broom handle) and moving it until it balances, then positioning the handle directly above. For ideal results this should be done front-to-back, and again left-to-right.
Ideally larger items such as a 2x 12 bin should also have handles that allow easy carrying between two people, normally strap handles across the top at each end.
Bigger cabs outgrow the strap style, and recessed “well” handles, either small plastic (e.g. HS-8012), or large steel (e.g. HS-8008) can be used depending on the weight of the cabinet.
Connectors
In my experience of gear on the road, the Cannon XLR-type connector is the best to use for speaker connections. These can be mounted in a tight-fitting hole drilled in the back (and then sealed with caulk).
If you decide to use 6.5mm hardware you will need something to mount the socket on. An odd bit of ali sheet with a hole in it screwed inside the back was a homebrew favorite, but a bit rough, so a plate specific for this can be had (e.g. HS-8031) and makes finishing the covering neatly much easier.
You may be tempted to include a fuse or poly-switch, as others have done, to electrically protect your valuable drivers. In a word - don't. This may be a reasonable idea with a solid-state amplifier, but with a valve amp there is zero chance of DC being applied to the speaker and it is likely to cost you an output transformer.
Feet
Hi-Fi feet are universally useless - simply not tough enough. Hardware shops stock hard rubber door stops or buffers which make reasonable feet if secured by tough screws, but if you use heavy plastic corners (above) you shouldn't need feet at all.
Castors
Fitting wheels to a cab is very much a two-edged banana. These certainly make a large cab easy to trundle across the floor, but small ones aren't much chop when you get to the carpark. They also tend to stick out awkwardly when packing gear in the van.
Playing on a flat floor they work okay, but many stages have the traditional back-to-front rake, and wheeled cabs have a way of migrating forwards during the show if not secured.
The $2 shops often stock rubber-tyre castors in various sizes.
Some years ago now Fane Loudspeakers published this slim volume which was a little gem, and while some parts of it were available from the Fane web site for some time it has now all but vanished from view. This is a real shame because it contains a lot of valuable condensed information.
The first section covers the construction and application of various cabinets, mainly for PA, for use with the drivers they manufacture, but still very generally useful and informative.
The second section contains plans with just enough detail to re-create a very wide range of cabinets from modest guitar cabinets right up to full-on arena PA monsters, and includes measured response curves for each.
I've done a lot of band PA and a fair bit of cabinet building and this book contains a lot of hard won wisdom from actual experience.
Feedback from anyone who builds any of these cabinets will be most welcome.
Book Index
Fane Loudspeaker Book, pages 01-11.pdfSource: http://www.4fsc.co.uk/blue-room/Part 1 Front cover, Introduction, Index (p11=p9 actual)
- System selection and design
- Enclosue design
- -sealed
- -reflex
- Construction
- - materials
- - joints
- - bracing
- - sealing
- - loudspeaker fixing
- - lining
- - finishing
- - electrical connections
- - impedance matching
- - crossovers
- Cabinet supplier list
Fane Loudspeaker Book, pages 10-17.pdfPart 2 Fane cabinet construction diagrammes
- Loudspeaker baffle mounting details
- Compact 1x12 driver reflex
- Compact 1x12 driver reflex with horns or bullet
- 1x15 driver reflex with horns or bullet
- 2x12 driver reflex with horns or bullet
Fane Loudspeaker Book, pages 18-25.pdf
- 3 way reflex system
- 4x12 driver lead
- 4x12 driver bass
- Small wedge monitor
- Large wedge monitor
Fane Loudspeaker Book, pages 26-33.pdf
- Angled 2x12 driver reflex or mid/high box
- 4x10 driver reflex with horns or bullet
- Large multiway modular PA system
- Folded horn bin 15 driver
Fane Loudspeaker Book, pages 34-41.pdf
- Folded horn bin 18 driver
- Folded horn bin 2x12 driver
- Rear horn loaded cabinet 15 driver
- 2x12 driver long throw upper bass/mid cabinet
Fane Loudspeaker Book, pages 42-53 (end).pdf
- 1x15 driver long throw upper bass/mid cabinet
- 2x10 driver mid/high cabinet
- Large horn box
- W type bin 12 or 15 short throw
- Large W type bin 15 driver long throw
“The name of the Celestion loudspeaker, first launched in 1925 by The Electrical Manufacturing and Plating Company, was intended to reflect the celestial or heavenly sound that it produced. Its makers later merged with the Britsh Rola Company, an offshoot of the Rola Company of Cleveland, Ohio, USA. Rola is a fairly common name over there.”
Everyday Practical Electronics, August 2006.
|
|