<<<OzValveAmps

6BW6 Generic



Bottom view. NJ7P Database

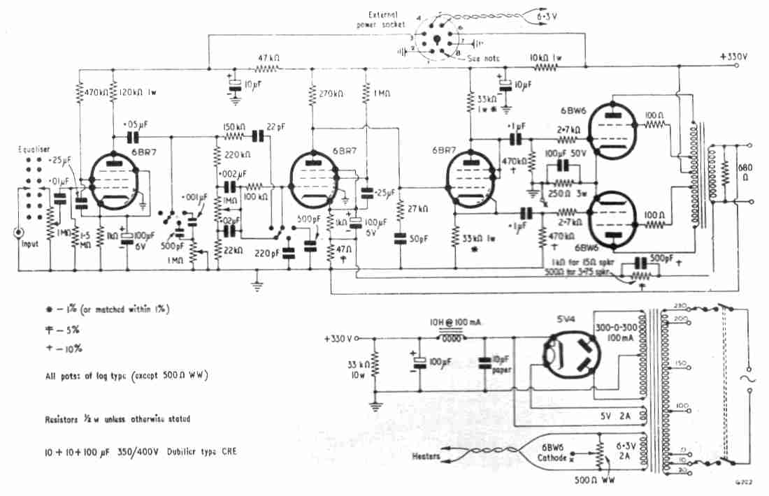
Circuit of an amplifier that uses 6BW6's in Ultra-Linear. (40kb jpg)

Valid HTML 4.01 Transitional <<<OzValveAmps
http://www.ozvalveamps.org/6bq5generic.html | Last update: 00:22 09/02/06