http://www.ozvalveamps.org/6146generic.html | Created: 11/12/10 | Last update: 03:05 19/12/10
<<< OzValveAmps

6146


A Reliable Source says;

There is a direct ELECTRICAL equivalent to the 6DQ6, which is the 6146 series of transmitting tubes. These come in a wide range of versions, including the 6883 12 volt heater style and the 6159 26.5 volt heater style.

The pin connections differ and care must be taken to correctly wire the pins. Also ensure unused pins on the 6DQ6 socket have not been used as a terminal for other wiring.

The 6146 family is very reliable and built to industrial/broadcast/military standards.

The 6146 is the ideal substitute for the 6DQ6.

Pa(max) 25W

Pinout

TC a
1 k, g3
2 h
3 g2
4 k, g3
5 g1
6 k, g3
7 h
8 Shield

Base: Octal-7CK

Notice that the earthy points, pins 1, 4, and 6 are brought out to provide some shielding between the elements, again reflecting the radio-frequency background of this valve. This is quite different to the 6DQ6 pinout.

Class AB1

46 to 450mA @ 750V

Vsup{760V}
Va750V
Ia2x 23-220mA
Rl p-p8k
Po120W
Rg2 ohm{22}
Ig22x 1-26mA
Vg2195V
Vg1-50V
Vh6.3V
Ih1.25A

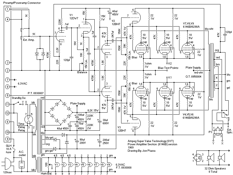
Example

generic/svt6146b-circuit-dg.gif

Note the small value resistors close on each output valve. These are to suppress HF or VHF oscillations since these are quite high frequency valves. These stoppers should be fitted as close as possible to their respective electrode terminals.

Valid HTML 4.01 Transitional <<<OzValveAmps